Skip to content

Product / ITC

Halton Ivo ITC – Paineenpoistopelti

Halton Ivo ITC -paineenpoistopelti, EI120S-palopellin luotettava kehitysversio, tarjoaa palonkestävän eristyksen ja hyvän savutiiveyden.

Luotettavasti toimiva pyöreä paineenpoistopelti, jossa on pneumaattinen toimilaite ja paineenalennin.

  • Testattu palopeltien palotestaukseen sovellettavien CE-sertifiointistandardien EN15650 ja EN 1366-2 mukaisesti.
  • Täyttää rakennusstandardin EN 15650 (CE) ilmanvaihtovaatimukset.
  • Voidaan asentaa mihin tahansa asentoon sekä raskaisiin että kevyisiin rakenteisiin.
Request a Quote

Yleiskuvaus

Halton Ivo ITC -paineenpoistopelti, EI120S-palopellin luotettava kehitysversio, on merkitty ja testattu vastaavien standardien mukaisesti. Se tarjoaa palonkestävän eristyksen ja hyvän savutiiveyden. Normaalitilassa pelti on suljettu, ja se avautuu sammutustilanteessa liiallisen paineen vapauttamiseksi. Tämä pyöreään kanavaan tarkoitettu tuote voidaan asentaa vaaka- tai pystysuuntaisesti kiviaineisiin, betonisiin tai kevyisiin rakenteisiin. Se tarjoaa luotettavan ratkaisun turvallisuustarpeisiisi.

Sovelluskohteita

  • Rakennukset
  • ATK-tilat
  • Arkistot

Keskeiset ominaisuudet

  • Kaikki yksiköt on testattu tehtaalla suorituskyvyn varmistamiseksi
  • Käyttöpaine 6 bar (tehdasasetus)
  • Tulopaine enintään 60 bar
  • Sulkupaine 300 Pa
  • Toimilaite ATEX-sertifioitu
  • Rakenne perustuu CE-merkittyyn palopeltiin
  • Saatavana ovat koot 160–630 mm
  • Suunniteltu käytettäväksi kaasusammutusjärjestelmien kanssa
  • Soveltuu käytettäväksi vaativissa olosuhteissa

Toimintaperiaate

EI120 -palopeltiin perustuva paineenpoistopelti Halton Ivo ITC on luotettava pneumaattisella toimilaitteella ja paineenalentimella varustettu laite. Kaasusammutusjärjestelmän aktivoituessa pneumaattinen toimilaite avaa pellin, mikä laskee tilan painetasoa. Kun paine on tasaantunut, pneumaattisen toimilaitteen sisällä oleva jousi sulkee pellin, mikä osoittaa laitteen toiminnan luotettavuuden.

  • Paineenpoistopelti on normaalitilassa suljettu, ja se avautuu palonsammutustilanteessa liiallisen paineen poistamiseksi tilasta.
  • Kun sammutustilanne on ohi, paineenpoistopelti sulkeutuu mekaanisen jousen avulla.
  • Halton suosittelee testaamaan kaasusammutusjärjestelmän toiminnan ennen tilojen käyttöönottoa.

Tämä paineenpoistopelti on olennainen osa automaattista kaasusammutusjärjestelmää, sillä se poistaa liiallisen paineen tilasta ja estää suuren paineen rakennuksen rakenteisiin aiheuttamat vauriot.

Kaasusammutusjärjestelmiä käytetään erikoistiloissa, kuten ATK-tiloissa ja arkistoissa. Näissä tiloissa olevien tietojen ja omaisuuden vahingoittumisella on vakavia seurauksia, sillä se voi keskeyttää toiminnan tai aiheuttaa suurta tuhoa. Sen vuoksi nämä tilat on usein suojattu automaattisilla kaasusammutusjärjestelmillä, joissa käytetään sammutuskaasuna esimerkiksi argonia, muita inerttejä kaasuja, hiilidioksidia​ tai Novecia.

Ominaisuudet ja vaihtoehdot

Ominaisuus Kuvaus
Pneumaattinen toimilaite Jousitoiminen ja paineenalennin
Koko Ø160–Ø630 mm
Paino 6,2–26,8 kg
Paine-ero kanavissa 1 200 Pa
Integroitu asennuskehys Sinkitty teräs (saatavana myös ruostumaton teräs)

Rakenne ja materiaalit

Kuva 1. Halton Ivo ITC – rakenne
Nro Osa Materiaali Huomautus
1 Läppä Mineraalikuidusta valmistetut asbestittomat levyt
2 Käyttötapa (toimilaite) Pneumaattinen, mukana paineenalennin.
3 Kehys Sinkitty teräs Ruostumattomasta teräksestä valmistettuja malleja on saatavana pyynnöstä
4 Kotelo Sinkitty teräs Ruostumattomasta teräksestä valmistettuja malleja on saatavana pyynnöstä
5 Tarkastusluukun pinnoite Sinkitty teräs Ruostumaton teräs, jos myös kotelo on ruostumaton

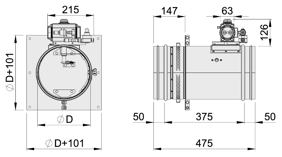
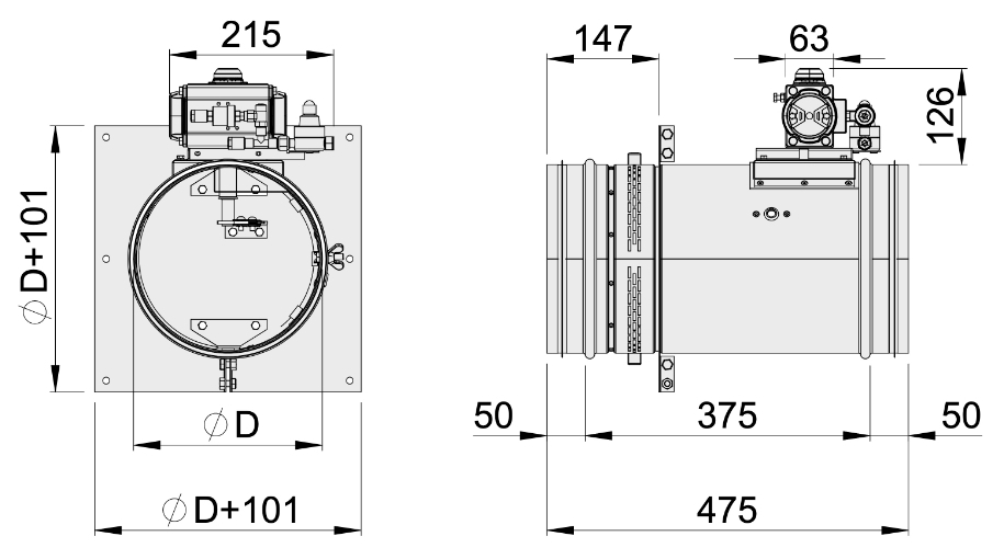
Mitat ja paino

Kuva 2. Halton Ivo ITC dimensions
Duct size [mm] Weight [kg]
160 6.2
200 8.3
250 9.3
315 11.2
355 13.2
400 15.1
500 20.0
630 26.8

Tekninen määrittely

EI120 -palopeltiin perustuva paineenpoistopelti Halton Ivo ITC on luotettava pneumaattisella toimilaitteella ja paineenalentimella varustettu laite. Sen rakenne perustuu CE-hyväksyttyyn palopeltiin ja ATEX-hyväksyttyyn toimilaitteeseen. Se on testattu palopeltien palotestaukseen sovellettavien CE-sertifiointistandardien EN15650 ja EN 1366-2 mukaisesti.

Rakentaminen

  • Seinäasennuksessa läpän akseli voidaan asentaa mihin tahansa asentoon (360°).
  • Palopelti voidaan asentaa pysty- tai vaakasuuntaisesti kiviaineisiin, betonisiin tai kevyisiin rakenteisiin.
  • Vuoto suljetun pellin läpi täyttää standardin EN 1751 luokan 2 vaatimukset
  • Vaippa täyttää standardin EN 1751 luokan C tiiviysvaatimukset. Standardin EN 1751 mukaisesti vuoto suljetun pellin läpi täyttää luokan 2 vaatimukset.
  • Tuote voidaan asentaa enintään 1,0 metrin etäisyydelle erillisestä elementistä, mikä täyttää paloluokkavaatimukset luokkaan EI 90 (ve ho i <-> o) S asti.
  • Korkeimman palonkestoluokan EI 120 (ve ho i↔o) S vaatimukset.

Materiaali

  • Vaippa täyttää standardin EN 1751 luokan C tiiviysvaatimukset. Standardin EN 1751 mukaisesti vuoto suljetun pellin läpi täyttää luokan 2 vaatimukset.
  • ​Vaippa sinkittyä tai ruostumatonta terästä (AISI 316L), läppä valmistettu palonkestävästä asbestittomasta levystä (mineraalikuidusta).​
  • ​​​Varustettu yhdellä tarkastusluukulla pellin läpän asennon tarkistamista varten.

Lisävarusteet

  • Asennukseen ei tarvita lisäosia eikä erillisiä asennuskehyksiä asennustavasta riippumatta.

Standardit

Paineenpoistopelleille ei ole yhdenmukaistettua tuotestandardia. ​

Tämän pellin rakenne perustuu CE-hyväksyttyyn palopeltiin ja ATEX-hyväksyttyyn toimilaitteeseen sillä erolla, että tämä avautuu tilaan lasketun inertin kaasun (hapen korvaavan sammutuskaasun) aiheuttaman ylipaineen poistamiseksi esim. ATK-laitetiloissa.

​ ​Täyttää rakennusstandardin EN 15650 (CE) ilmanvaihtovaatimukset.

Tämän tuotteen perusta on seuraavien standardien mukainen:

Suorituskyky/prosessit Standard
Paloluokitus (EI 120 (ve hoi↔o) S, EI 90 (ve ho i↔o) S, EI 60 (ve ho i↔o) S) EN 13501-3+A1 -standardi
Palotestaus EN 1366-2
Rakennustuoteasetus (CPR) 1391-CPR-2018/0202
Suoritustasoilmoitus (DoP) 10033-ESC-2019/01/01
Vuoto suljetun pellin läpi täyttää luokan 2 vaatimukset EN 1751
Kotelon tiiviysluokka C EN 1751
Korroosionkestävyys (suolasumutesti) EN 60068-2-52

Asennus

Sopii sekä pystysuuntaiseen asennukseen (seinään) että vaakasuuntaiseen asennukseen (kattoon/lattiaan). Pellin läpän akseli voidaan seinään asennettaessa asentaa mihin tahansa kulmaan (360°), mikä tarjoaa monipuolisemmat asennusmahdollisuudet. Voidaan asentaa jopa 1,0 metrin päähän päärakenteesta niin, että palonkestoluokka EI 90 S säilyy.

Palonkestoluokka:

  • Hyväksytty käytettäväksi kiviaineisissa, betonisissa ja kevyissä rakenteissa.
  • Täyttää palonkestoluokkien EI 120, EI 90 ja EI 60 vaatimukset.
  • CE-merkitty kaikkien turvallisuus- ja laatustandardien mukaiseksi.

Optimaalisen suorituskyvyn varmistamiseksi pellin rungon ympärille on jätettävä asennuksen aikana mahdollisimman vähän vapaata tilaa.

Asennukseen ei tarvita lisäosia eikä erillisiä asennuskehyksiä asennustavasta riippumatta.

Huomautus : Katso tarvittaessa lisätietoja tämän palopellin asennusoppaasta. Voit ladata sen Lataukset-osasta, jos se on saatavilla.

Huolto

Tuote ei vaadi säännöllistä huoltoa.

​Palopellit on tarkastettava säännöllisesti paikallisten rakennusmääräysten mukaisesti niiden asianmukaisen toiminnan varmistamiseksi. On suositeltavaa tehdä tarkastukset vähintään 6 kuukauden välein. Testausasiakirjat on säilytettävä tulevaa tarvetta varten.

Palopellissä on yksi tarkastusluukku pellin läpän asennon tarkistamista varten. Toimilaitteessa on asennonosoittimet avaamista ja sulkemista varten.

Jos palopelti ei läpäise testiä, ota yhteyttä valtuutettuun Haltonin edustajaan laitteen moitteettoman toiminnan varmistamiseksi.

Tilauskoodi

ITC-D; MA-AC-ZT

Päävaihtoehdot
D = Kanavaliitännän koko [mm] 160, 200, 250, 315, 355, 400, 500, 630
Muut ominaisuudet ja lisävarusteet
MA = Materiaali
GS Sinkitty teräs
AC = Lisävarusteet
NA

Ei määritetty

N2 Suojaverkko kummassakin päässä
ZT = Räätälöity tuote
N Ei
Y Kyllä (ETO)
Tilauskoodiesimerkki
ITC-160; MA=GS, AC=NA, ZT=N

Downloads

  • Halton Ivo ITC – Technical description

    Data

    English (en)
    Shape 2
  • Halton Ivo ITC – Tekninen kuvaus

    Data

    Suomi (fi)
    Shape 2

"*" indicates required fields

This field is for validation purposes and should be left unchanged.
Markkinointiviestinnän suostumus
Max. file size: 128 MB.