Skip to content

Product / ITC

Halton Ivo ITC – Pressure relief damper

The Halton Ivo ITC pressure relief damper, a reliable evolution of the EI120S fire damper, is fire-resistant and provides insulation with low smoke leakage.

A circular pressure relief damper that includes a pneumatic actuator and pressure reducer with functional dependency.

  • ​Tested according to CE certification standards EN15650 and EN 1366-2 for fire testing as a fire damper​
  • Complies with the ventilation of building standard EN 15650 (CE)​
  • ​Installation is possible in any orientation for heavy and lightweight structures.
Request a Quote

Overview

The Halton Ivo ITC pressure relief damper, a reliable evolution of the EI120S fire damper, is marked and tested in accordance with its respective standards. It is fire-resistant and provides insulation with low smoke leakage. In normal mode, it is closed and opens in an extinguishing situation to release excess pressure. This circular duct product can be installed horizontally or vertically in concrete, masonry, and lightweight structures, providing a reliable solution for your safety needs.

Application areas

  • Buildings
  • IT facilities
  • Archives

Key features

  • All units are factory-tested to ensure performance.​
  • Operating pressure 6 bar (factory setting)
  • Supply pressure max. 60 bar
  • Closing pressure 300 Pa
  • Actuator ATEX certified
  • The structure is based on a CE-marked fire damper.
  • Sizes from 160 to 630 mm are available.
  • Designed for use with gas extinguishing systems
  • Suitable for use in demanding conditions

Operating principle

The pressure relief damper Halton Ivo ITC, based on the EI120 fire damper, is a reliable unit equipped with a pneumatic actuator and pressure reducer. Upon activation of the gas extinguishing system, the pneumatic actuator opens the damper, reducing the pressure level inside the room. Once the pressure is balanced, the spring inside the pneumatic actuator closes the damper, demonstrating its dependable functionality.

  • ​The pressure relief damper is closed in normal mode and opens in an extinguishing situation to remove excess pressure from the space.​
  • After the extinguishing, the pressure relief damper closes to the closed position using a mechanical spring.​​
  • Halton recommends performing a functional test of the gas extinguishing system before commissioning the premises.​

This pressure relief damper is a vital component of the automatic gas extinguishing system, releasing excess gas from the space and preventing damage to the building’s structure from high pressure.

​IT facilities and special facilities such as archives use gas extinguishing systems. Damage to data and assets from these facilities poses serious consequences, as it may interrupt operations or result in destruction. Hence, these automatic gas extinguishing systems, which extinguish gases such as argon, other inert gases, CO2​ , and Novec, often protect such facilities.

Features and options

Feature Description
Pneumatic actuator Spring return and pressure reducer
Size Ø160 – Ø630 mm
Weight 6.2 – 26.8 kg
Pressure difference in ducts 1200 Pa
Integrated installation frame Galvanised steel (Stainless steel option available)

Structure and materials

Fig. 1. Halton Ivo ITC structure
No. Part Material Note
1 Blade Asbestos free boards made of minieral fiber
2 Operating model (actuator) Pneumatic, including pressure reducer.
3 Frame Galvanised steel Stainless steel options available on request
4 Casing Galvanised steel Stainless steel options available on request
5 Inspection hatch covering Galvanised steel Stainless steel, when casing also stainless

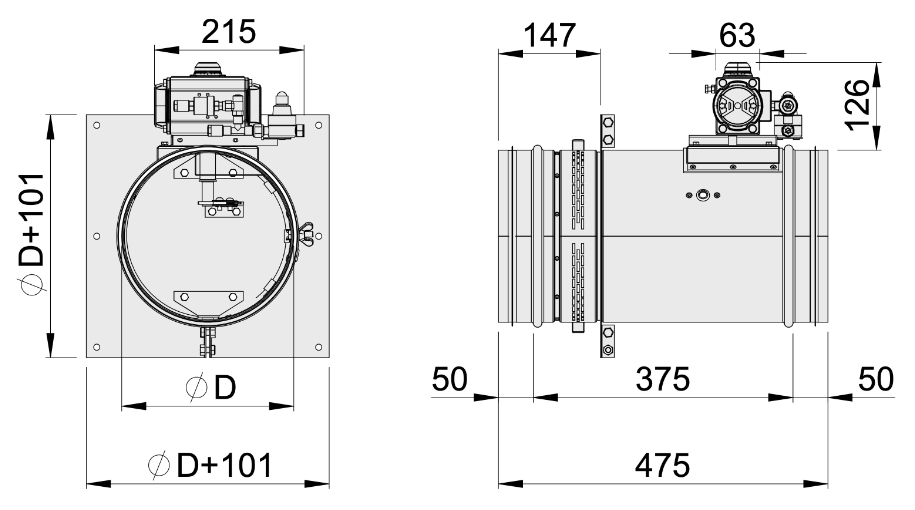
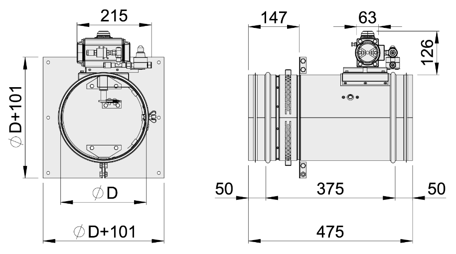
Dimensions and weight

Fig. 2. Halton Ivo ITC dimensions
Duct size [mm] Weight [kg]
160 6.2
200 8.3
250 9.3
315 11.2
355 13.2
400 15.1
500 20.0
630 26.8

Specification

The pressure relief damper ​Halton Ivo ITC​, based on the EI120 fire damper, is a reliable unit equipped with a pneumatic actuator and pressure reducer. Its structure is based on a CE-approved fire damper and ATEX-approved actuator. It is tested according to CE certification standards EN15650 and EN 1366-2 for fire testing as a fire damper.

Construction

  • The in-wall installation allows for the installation of the spindle of the blade at any position (360°).
  • In concrete, masonry and lightweight structures, you can install fire dampers in both vertical and horizontal positions.
  • Leakage through closed damper blade fulfils EN 1751 class 2
  • The casing complies with the tightness requirements for EN 1751 class C. According to EN 1751, leakage through a closed damper blade fulfils class 2.​
  • It can be installed away from the separate element up to 1.0 metre, fulfilling fire resistance classes up to EI 90 (ve ho i <-> o) S.
  • A maximum fire resistance class EI 120 (ve ho i↔o) S requirements.

Material

  • The casing complies with the tightness requirements for EN 1751 class C. According to EN 1751, leakage through a closed damper blade fulfils class 2.​
  • ​Galvanised or stainless steel (AISI 316L) casing, with the blade made of fire-resistant and asbestos-free boards (mineral fibre).​
  • ​​​Equipped with one inspection hatch, which allows you to check the position of the damper blade.

Accessories

  • No spare parts or additional installation frames are needed, regardless of the installation method.

Standards

There is no harmonized product standard for pressure relief dampers. ​ ​

The structure of this damper is based on for CE-approved fire damper and ATEX-approved actuator, with the exception that this is opened with inert gas release (extinguishing gas displaces oxygen) in connection with overpressure to lead away, e.g., ATK in device mode.

​ ​Complies with ventilation of building standard EN 15650 (CE)

The basis of this product complies with the following standards:

Performance/processes Standard
Fire classification (EI 120 (ve hoi↔o) S, EI 90 (ve ho i↔o) S, EI 60 (ve ho i↔o) S) EN 13501-3+A1 standard
Fire testing EN 1366-2
Construction Products Regulation (CPR) 1391-CPR-2018/0202
Declaration of Performance (DoP) 10033-ESC-2019/01/01
Leakage through closed damper blade fulfils class 2 EN 1751
Damper casing tightness class C EN 1751
Corrosion resistance (Salt mist test) EN 60068-2-52

Installation

Suitable for both vertical (wall) and horizontal (ceiling/floor) mounting. The damper’s blade spindle can be positioned at any angle (360°) during wall installation, allowing for greater flexibility.Capable of being installed up to 1.0 meters away from the main structure while maintaining a fire resistance of EI 90 S.

Fire resistance classification:

  • Certified for use in concrete, masonry, or lightweight structures.
  • Complies with fire resistance classes EI 120, EI 90, or EI 60.
  • Fully CE marked for adherence to safety and quality standard.

To ensure optimal performance, a minimum amount of free space must be left around the damper’s body during installation.

No spare parts or additional installation frames are needed, regardless of the installation method.

Note: More detailed information can be found in the Installation Guide for this fire damper. You can download it from the “Downloads” section, when available.

Maintenance

No regular maintenance is required for the product.

​Inspections must be carried out regularly, according to local building codes, to ensure proper operation of fire dampers. The minimum recommended inspection period is every 6 months. Save the documentation of testing needs for future use. ​

The fire damper is equipped with one inspection hatch, allowing for the inspection of the damper blade’s position. The actuator includes position indicators for opening and closing.

Upon failure during testing of the fire damper, maintenance service shall order from an authorised Halton representative to ensure appropriate operation of the product.

Order code

ITC-D; MA-AC-ZT

Main options
D = Duct connection size [mm] 160, 200, 250, 315, 355, 400, 500, 630
Other options and accessories
MA = Material
GS Galvanised steel
AC = Accessories
NA

Not assigned

N2 Safety mesh in both ends
ZT = Tailored product
N No
Y Yes (ETO)
Order code example
ITC-160; MA=GS, AC=NA, ZT=N

Downloads

  • Halton Ivo ITC – Technical description

    Data

    English (en)
    Shape 2
  • Halton Ivo ITC – Tekninen kuvaus

    Data

    Suomi (fi)
    Shape 2

"*" indicates required fields

This field is for validation purposes and should be left unchanged.
Marketing Communications Consent
Max. file size: 128 MB.