Skip to content

Product / R6W

Halton Rex R6W – Muuttuvan ilmavirran ilmastointipalkk

Halton Rex R6W on muuttuvan ilmavirran ilmastointipalkki, jossa yhdistyvät ilmastointipalkkien tehokkuus ja muuttuvan ilmavirran säätö miellyttävän lämpötilan ja energiatehokkuuden optimoimiseksi. Se on moderni ja energiatehokas järjestelmä, joka on tarkoitettu tarpeenmukaiseen ilmastointiin rakennuksissa. Se on erityisen tehokas tilanteissa, joissa etusijalle halutaan asettaa korkealaatuinen sisäilma, energiatehokas toiminta ja yksittäisten huoneiden hallinta. Se edistää toiminnan kestävyyttä auttamalla pienentämään hiilijalanjälkeä, mikä hyödyttää ympäristöä laitteen koko elinkaaren ajan.

  • Se on yhdistetty jäähdytys-, lämmitys- ja ilmastointilaite, joka voidaan asentaa uppoasennuksena alakattoon.
  • Halton Velocity Control (HVC) -säätimen ansiosta palkin toiminta mukautuu väliseinien siirtoon.
  • Tuloilman virtausta voidaan muuttaa toimintatilan säätimellä (OMD).
  • Kaksi tuotemallia, joiden ilmavirtaa voi säätää moottoroidulla VAV-säätimellä.
  • Malli, jossa on huoneautomaatiojärjestelmäpaketti.
Request a Quote

Yleiskuvaus

Halton Rex R6W -ilmastointipalkki on monipuolinen tuote, joka on tarkoitettu tarpeenmukaisiin ilmanvaihtojärjestelmiin. Se on yhdistetty jäähdytys-, lämmitys- ja ilmastointilaite, joka sopii täydellisesti uppoasennettavaksi alakattoon. Se on yhteensopiva sekä paineesta riippuvaisen vakiopaineisen kanaviston että paineesta riippumattoman kanaviston kanssa, joten se sopii hyvin tarpeenmukaiseen ilmanvaihtoon. Se on erityisen tehokas tilanteissa, joissa etusijalle halutaan asettaa korkealaatuinen sisäilma, energiatehokas toiminta ja yksittäisten huoneiden hallinta.

Halton Rex R6W -ilmastointipalkki on suunniteltu vaativiin toimistotiloihin, joissa ilmavirtaa täytyy voida säätää erittäin joustavasti. Tämän ilmastointipalkin toiminta mukautuu huoneiden käytön ja toimistotilojen sisustuksen muutoksiin.

Sovelluskohteita

  • Toimistohuoneet
  • Julkiset tilat
  • Maisemakonttorit ja kokoushuoneet

Keskeiset ominaisuudet

  • Helppo ja nopea valinta Halton eHIT -suunnittelutyökalun avulla.
  • Halton Velocity Control (HVC) -säätimen ansiosta palkin toiminta mukautuu väliseinien siirtoon.
  • Tuloilman virtausta voidaan muuttaa toimintatilan säätimellä (OMD).
  • Yhdistetty jäähdytys-, lämmitys- ja ilmastointilaite, joka voidaan asentaa alakattoon.
  • Soveltuu erinomaisesti tiloihin, joissa on suuri jäähdytyskuorma ja pieni kosteuskuorma ja joissa vaaditaan tarpeenmukaista ilmanvaihtoa.
  • Aiempaa paremmat elinkaariominaisuudet sekä optimoidut ilma- ja vesivirta-arvot.

  • Kaksi tuotemallia, joiden ilmavirtaa voi säätää manuaalisella CAV-säätimellä tai moottoroidulla VAV-säätimellä.
    • Flexible-malli, jossa on paineesta riippuvainen ilmavirtauksen säätö 0–100 %.
    • Autonomic-malli, jossa on paineesta riippumaton ilmavirtauksen säätö 0–100 %.
  • Erinomainen vaihtoehto kohteisiin, joissa vaaditaan laadukkaita sisäilmaolosuhteita, tarpeenmukaista ilmanvaihtoa ja huonekohtaista säätömahdollisuutta.
  • Saatavilla on malli, jossa on Halton Workplave WRA -huoneautomaatiojärjestelmäpaketti.

Toimintaperiaate

Halton Rex R6W -ilmastointipalkki soveltuu uppoasennettavaksi alakattoon.

Primääri-ilma virtaa ilmastointipalkin tuloilmakammioon, Sieltä se tuodaan huonetilaan suuttimilla, joita hallinnoidaan toimintatilan säätimellä (OMD).

Tuloilmasuihkut indusoivat tehokkaasti mukaansa ympäröivää huoneilmaa, ja ne ohjataan vaakasuuntaisesti katon pintaa pitkin. Sekundääri-ilma kulkeutuu palkin alapinnassa olevan rei’ityksen läpi. Tämän jälkeen ilma virtaa lämmönsiirtimeen, jossa se joko jäähtyy tai lämpenee ennen kuin se tuodaan huonetilaan.

Kuva 1. Jäähdytyspatterilla varustetun Halton Rex R6W -ilmastointipalkin (TC=C) toimintaperiaate

Nopeuden rajoittaminen oleskeluvyöhykkeellä

Halton Velocity Control -nopeudensäätimellä (HVC) säädetään ilmannopeutta oleskelualueen tilankäytön muuttuessa (esimerkiksi kun ilmastointipalkki sijoitetaan lähelle väliseinää) tai kun ilman virtausnopeutta on muutettava paikallisesti. HVC-säätö vaikuttaa sekundäärihuoneilman virtaukseen lämmönsiirtimen läpi. Se siis joko suurentaa tai pienentää sekä ilman virtausnopeutta oleskeluvyöhykkeellä että ilmastointipalkin jäähdytys- tai lämmitystehoa.

HVC-säätimessä on kolmiasentoinen manuaalinen nopeudensäätö kuvassa 2 esitetyllä tavalla: 1 = nopeuden rajoitus, 2 = normaali nopeus ja 3 = nopeuden lisäys. HVC-järjestelmä on lisäksi jaettu osiin niin, että oleskeluvyöhykkeen eri osiin voidaan tarvittaessa tehdä erilaiset säädöt. Optimaalinen HVC-säädinmoduulin pituus on palkin pituuden mukaan 500–1 400 mm.

HVC-säädin on lisäksi jaettu osiin (asennot 1–3) niin, että oleskeluvyöhykkeen eri osiin voidaan tarvittaessa tehdä erilaiset säädöt.

On suositeltavaa suunnitella ilmastointi niin, että ilmastointipalkissa käytetään normaaliasentoa. Tällöin palkin tehoa voidaan tarvittaessa sekä lisätä että vähentää rakennuksen elinkaaren aikana.

Kuva 2. Halton Velocity Control -säätimen (HVC) asennot

Tuloilmavirran säätö

Ilmastointipalkin suuttimien tuloilma vaihtelee suuttimien tyypin, suutinrivin pituuden ja kammion staattisen paineen mukaan.

Toimintatilan säädin (OMD), korostettu kuvassa 3 sinisenä, säätää ja ohjaa huoneen raittiin ilman määrää joko manuaalisesti tai sähköisellä toimilaitteella. Ilmavirta vaihtelee OMD-säätimen aukon asennon mukaan. Oleskeluanturi valvoo huoneen toimintatilaa.

Kuva 3. OMD (sininen), kammio 1 (vihreä), kammio 2 (punainen)

Alla olevassa kuvassa (kuva 4) esitetään toimintaa eri tiloissa, joita OMD ohjaa.

  1. Huone ei käytössä -tila: Tässä tilassa tuloilman määrä asetetaan vähimmäisarvoon, jolla materiaalipäästöt voidaan poistaa.

  2. Huone käytössä -tila: Aseta tässä tilassa tuloilman määrä normaalin toimistotilan mukaisesti.

  3. Tehostustila: Kun huoneessa on enemmän henkilöitä, ilmavirtaa suurennetaan CO2-anturin perusteella tehostustilaan sisäilman laadun määritetyn tavoitearvon ylläpitämiseksi.

Kuva 4. Halton Rex R6W -ilmastointipalkin tuloilman tilat

Tarpeenmukaisten ilmavirtojen ilmastointipalkit voidaan liittää mihin tahansa kanava-alueeseen. Vakiopaineinen kanava-alue helpottaa suunnittelua ja käyttöä.

Flexible-malli

Flexible-malli, jossa on paineesta riippuvainen tuloilman säätö 0–100 %

Halton Rex R6W Flexible -mallin Haltonin toimintatilan säädintä (OMD) käytetään tuloilman manuaaliseen säätämiseen tai tuloilman muuttuvan ilmavirran (VAV) moottoroituun hallintaan.

OMD-säädintä voidaan käyttää vakioilmavirran (CAV) säätimenä. Toisin sanoen se voi säätää k-kerrointa oikean ilmavirtauksen saavuttamiseksi tietyllä painetasolla. Tällöin vältytään Halton Rex R6W -ilmastointipalkin tuloilman säätimen suuttimien vaihdolta tai sulkemiselta.

Jos OMD-säädin on varustettu moottoroidulla toimilaitteella, VAV-säätimellä voi tehdä säätöjä täysin joustavasti. Se mahdollistaa erilaisten paineesta riippuvaisten VAV-tilojen käytön esimerkiksi ilmavirran minimi-, normaali- ja tehostusasetuksilla.

On suositeltavaa, että Halton Rex R6W Flexible -mallin ilmastointipalkit, joissa on tarpeenmukainen ilmavirran säätö, asennetaan vakiopaineiselle kanava-alueelle.

Autonomic-malli

Autonomic-malli, jossa on paineesta riippumaton tuloilman säätö 0–100 %

Halton Rex R6W Autonomic -mallin Haltonin toimintatilan säädintä (OMD) käytetään tuloilman manuaaliseen säätämiseen tai tuloilman muuttuvan ilmavirran (VAV) moottoroituun hallintaan. Jos Halton Rex R6W Autonomic -mallin OMD-säädin on varustettu moottoroidulla toimilaitteella, jossa on integroitu paineenmittaus, VAV-säätimellä voi tehdä säätöjä täysin joustavasti paineesta riippumattomasti. Se mahdollistaa erilaisten paineesta riippumattomien VAV-tilojen käytön esimerkiksi ilmavirran minimi-, normaali- ja tehostusasetuksilla.

Halton Rex R6W Autonomic -mallin ilmastointipalkkeja voidaan käyttää minkä tahansa tyyppisellä kanava-alueella. Jos kanaviston painetaso on vaihteleva, ilmastointipalkin suunnittelussa on varmistettava sekä kanaviston minimi- että maksimipaine.

Lämpötilan säätö

Ilmastointipalkin jäähdytys- ja lämmitystehoa muutetaan säätämällä vesivirtaa huonetermostaatin ohjaussignaalin perusteella.

Lämmitystoiminnossa on suositeltavaa, että lämpötilaero tuloilman ja huoneilman välillä on enintään 3 °C. Lisäksi lämmönsiirtimen menoveden suositeltu maksimilämpötila on 35 °C. Optimaalinen lämmitysteho edellyttää sopivan primääri-ilmavirran käyttöä. Sen vuoksi lämmitysjaksojen aikana käytetään ilmankäsittely-yksikköä takaamaan asianmukainen lämmitysteho.

Ominaisuudet ja vaihtoehdot

Lisävaruste/malli Koodi Kuvaus Huomautus
Yhdistetty jäähdytys- ja lämmityspatteri TC = C Jäähdytysvesikierrolla varustettu patteri Kuparisten jäähdytysvesiputkien liitännät ovat normaalin painehäviön malleissa Ø 12 mm (katso kohta ”Mitat ja painot”) ja vähäisen painehäviön malleissa Ø 15 mm.
TC = H Patteri, jossa on sekä jäähdytys- että lämmitysvesikierto Jäähdytys- ja lämmitysveden kupariputkien liitännät ovat normaalin painehäviön malleissa Ø 12 mm. Jos painehäviö on vähäinen, jäähdytysveden liitäntä on Ø 15 mm ja lämmitysveden Ø 12 mm (katso kohta ”Mitat ja painot”).

Kuva 5. Jäähdytyspatterilla varustettu Halton Rex R6W -ilmastointipalkki (TC=C)

Kuva 6. Lämmityspatterilla varustettu Halton Rex R6W -ilmastointipalkki (TC=H)

Rakenne ja materiaalit

Kuva 7. Lämmityspatterilla varustetun Halton Rex R6W -ilmastointipalkin rakenne (TC=H)

Nro Osa Materiaali Kuvaus Huomautus
1 Lämmönsiirrin Sinkitty teräs
2 Tuloilmaliitäntä Sinkitty teräs
3 Toimintatilan säädin Sinkitty teräs
4 Kiinnikkeet Alumiini
5 Etulevy 1 Maalattu sinkitty teräs Polyesterimaalattu valkoinen (RAL 9003, 20 % kiilto) Saatavana erikoisvärejä, polyesteri-epoksimaalattu
6 Päätylevyt Sinkitty teräs Polyesterimaalattu valkoinen (RAL 9003, 20 % kiilto) Saatavana erikoisvärejä
7 Patterin putket Kupari
8 Patterin lamellit Alumiini
9 Sivulevyt Maalattu sinkitty teräs Polyesterimaalattu valkoinen (RAL 9003, 20 % kiilto) Saatavana erikoisvärejä, polyesteri-epoksimaalattu

Jäähdytyksen/lämmityksen vesiputkiliitännät ovat Cu12 ja seinämien paksuus on 0,9–1,0 mm, mikä täyttää standardin EN 1057:1996 vaatimukset.

Jäähdytys- ja lämmitysvesipiirin suurin käyttöpaine on 1,0 MPa.

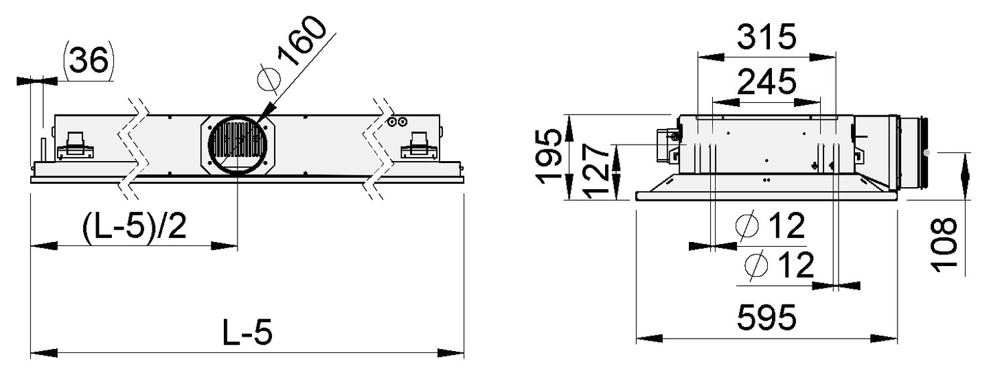
Mitat ja paino

Kuva 8. Halton Rex R6W -mallin mitat, jäähdytyspatteri (TC = C)
Kuva 9. Halton Rex R6W -mallin mitat, lämmityspatteri (TC = H)
ØD Patterin pituus [mm] Pituus L-5 [mm] Paino [kg/m, ilman vettä]
160 1 000, +600 … 3 400 1 195, +600, …, 3 595 (+1 715) 15
Kuva 10. Kiinnitys alakattoon

Järjestelmäpaketti

Järjestelmäpakettiin kuuluu tarvittaessa venttiili ja toimilaite, säädin, kosteusanturi, CO2-anturi ja lämpötila-anturi.

Halton Workplace WRA -automaatio

Halton Workplace WRA -huoneautomaatiojärjestelmäpaketti Halton Rex R6W -ilmastointipalkille.

Halton Workplace WRA on osa Halton Workplace -ratkaisuvalikoimaa.

Kuva 11. Halton Workplace WRA -huoneautomaatioyksikkö integroituna Halton Rex R6W -ilmastointipalkkiin

Halton Workplace WRA on erityisesti toimisto- ja kokoustilojen automaatiojärjestelmän säätämiseen suunniteltu yksikkö. Se säätää ilmavirtaa, huonelämpötilaa ja sisäilman laatua.

Halton Workplace WRA -huoneautomaatiopaketti koostuu automaatioyksiköstä ja asiakkaan tarpeiden mukaisista lisäosista, joita ovat seinäpaneeli sekä lämpötila-, CO2-, oleskelu-, paine- ja kondensaatioanturit.

Yksiköstä ja seinäpaneelista on saatavana erilaisia vaihtoehtoja tarvittavien säätimien ja antureiden määrän mukaan. Halton Workplace WRA -huoneautomaatioyksikköä käytetään aina muiden Haltonin tuotteiden kanssa muunneltavan ja laadukkaan sisäilmaston luomiseksi.

Sovelluskohteita

  • Ilmavirran, huonelämpötilan ja sisäilman laadun hallinta toimisto- ja kokoustiloissa.
  • Halton Workplace WRA -huoneautomaatioyksikkö on tärkeä osa Halton Workplace -järjestelmää. Sillä hallitaan huoneyksiköitä ja ilmavirtasäätimiä.
  • Halton Workplace -järjestelmäkokonaisuuteen kuuluvat seuraavat osat:
    • Huoneilmanvaihtosovellukset ja Halton Workplace WRA -huoneautomaatioyksikkö:
      • Aktiiviset ilmastointipalkit
      • Poistoilmalaitteet
      • VAV-säätimet
      • VAV-aktiivihajottajat
  • Halton Max MDC -ilmavirtasäätimet vyöhykehallintaan
  • Halton Workplace WSO -järjestelmäsäädin

Toimintaperiaate

Halton Workplace WRA -huoneautomaatioyksikkö toimii Halton Workplace -järjestelmän muuttuvan ilmavirran VAV-säätimien ja aktiivisten ilmastointipalkkien kanssa. Näitä säätimiä käytetään ilmanvaihdon ilmavirran, huoneen lämpötilan ja sisäilman laadun säätämiseen toimistotiloissa.

Kullakin toimiston huoneyksiköllä voi olla oma Halton Workplace WRA -huoneautomaatioyksikkö, tai yhdellä säätimellä voidaan hallita useita huoneyksiköitä. Halton Workplace WRA -huoneautomaatioyksikkö voi säätää järjestelmää automaattisesti sisäilmaston perusteella käyttäjien määritysten mukaan, mikä tekee järjestelmästä mahdollisimman joustavan.

Huoneautomaatio: aktiiviset Halton Rex R6W -ilmastointipalkit, joita ohjataan Halton Workplace WRA -huoneautomaatioyksiköillä

Kuva 12. Halton Rex R6W ja Halton Workplace WRA -huoneautomaatioyksiköt kahden hengen toimistohuoneessa

Huoneautomaatio

Tässä kokoonpanossa kaksi Halton Workplace WRA -huoneautomaatioyksikköä (tyyppi DXR2.E12P-102A) säätelee kahta aktiivista Halton Rex R6W -ilmastointipalkkia. Jokaisessa -ilmastointipalkissa on lämmitys- ja jäähdytysventtiilit, moottoroitu toimintatilan säädin (OMD) -säädin sekä integroidut CO2 ja kondensaatioanturit. Halton Workplace WRA -huoneautomaatioyksikössä on integroitu paineanturi. Järjestelmään kuuluu myös poistoilman VAV-säädin ja seinäpaneeli (QMX3.P37), jossa on lämpötila-anturi ja -näyttö. Yhdellä Halton Workplace WRA -huoneautomaatioyksiköllä voidaan hallita jopa neljää eri pääteyksikköä, ja tilassa voi olla useita Halton Workplace WRA -huoneautomaatioyksikköjä.

Huoneautomaation suunnittelukriteerit

  • Halton Rex R6W -ilmastointipalkissa on moottoroitu OMD-säädin
  • Halton Rex R6W -ilmastointipalkkiin integroidut kondensaatio- ja CO2-anturit
  • Poistoilmavirran säätö
  • Seinäpaneeli, jossa on lämpötila-anturi ja -näyttö
  • Ikkunakytkimen säädin
  • Halton Workplace WRA -huoneautomaatioyksikköön integroitu paineanturi
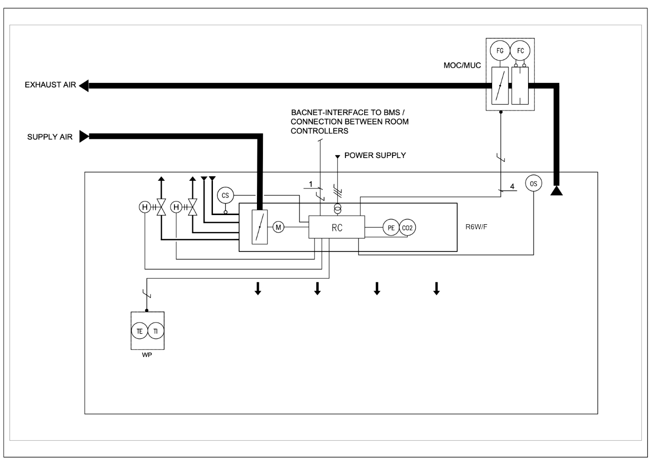
Kaaviokuva
Kuva 13. Kaaviopiirros: Halton Rex R6W -ilmastointipalkki (4 putkea), jota hallitaan Halton Workplace WRA -huoneautomaatioyksiköllä

Laiteluettelo

Koodi Laite
RC Säätöyksikkö
FG Ilmavirtasäätimen toimilaite
FC Ilmavirran mittaus
H Vesiventtiilin toimilaite
CS Kondensaatioanturi
OS Oleskeluanturi
PE Paineanturi
CO2 Hiilidioksidianturi
WP Seinäpaneeli
TE Lämpötila-anturi
TI Lämpötilanäyttö
Kuva 14. Tehtaalla asennettu Halton Workplace WRA -huoneautomaatioyksikkö DXR2.E12P-102A

Kytkentäkaavio

Katso samanlaisen kokoonpanon kytkentäkaavio Halton Workplace WRA -huoneautomaatioyksikön tuotesivulta tai kohdasta Esimerkkejä tuotteiden valinnasta.

Järjestelmän osat ja tilauskoodiesimerkit

  • 2 x aktiivinen ilmastointipalkki: Halton Rex R6W
    • R6W-F-2400-C-2100, SP=Y, ED=R3, TC=H, CR=N, CN=M1, CO=SW, ZT=N
  • 1 x poistoilmalaite: Halton AGC -poistoilmasäleikkö + Halton PRL -liitäntälaatikko säleiköille
    • AGC-N-400-100 FS=CL, ME=A, FI=PN, CO=W, ZT=N + PRL-F-400-100-160
  • 1 × VAV-säädin: Halton Max MUC tai Halton Max MOC
    • MUC-G-160, MA=CS
  • Automaatiopaketti: 2 × Halton Workplace WRA -huoneautomaatioyksikkö ja siihen liittyvät osat
    • WRA/R6W-E21-OM-EX4, WP=37, LC=NA, CD=CS, SW=NA, ST=IC, SL=OE, PM=P2, TC=H, CV=SP5, RV=NA, ZT=N
Huomautus : Katso lisätiedot Halton Workplace WRA -huoneautomaatioyksikön tuotesivulta.

Jäähdytys- ja lämmitysvesiventtiilin valinta

Valitse vesiventtiili Halton Workplace WRA -huoneautomaatiojärjestelmäpaketissa. Vesiventtiilin koko vaihtelee yhdellä säätimellä säädettävien tois- ja ensisijaisten ilmastointipalkkiyksikköjen määrän mukaan. Koko ilmastointipalkkiryhmän jäähdytys- tai lämmitystoiminnossa käytetään yhtä vesiventtiiliä, jota hallitaan yhdellä huonesäätimellä. Vesiventtiilin koko suhteutetaan koko ryhmään, kun yhdellä säätimellä hallitaan useita ilmastointipalkkeja. Kokoonpanossa voi olla yksi ensisijainen ilmastointipalkki, joka on varustettu huonesäätimellä, ja korkeintaan kolme toissijaista ilmastointipalkkia.

Alla esitetään vesiventtiilin koko suhteessa ilmastointipalkkien määrään (1–4).

Ilmastointipalkkien määrä (kpl) Vesiventtiilin tyyppi Koko jäähdytykseen (DN) Koko lämmitykseen (DN) Asennus
1 ABQM DN15 DN15 Integroitu ilmastointipalkkiin
2 ABQM DN20 DN15 Erillään
3 ABQM DN20 DN15 Erillään
4 ABQM DN25 DN15 Erillään
Ilmastointipalkkien määrä (kpl) Vesiventtiilin tyyppi Koko jäähdytykseen (DN) Koko lämmitykseen (DN) Asennus
1 VPP46.. DN15 DN15 Erillään
2 VPP46.. DN20 DN15 Erillään
3 VPP46.. DN20 DN15 Erillään
4 VPP46.. DN25 DN15 Erillään

Tekninen määrittely

Ilmastointipalkissa on integroitu, reikälevyn kautta kulkeva kiertoilmareitti. Huoneen sekundääri-ilmavirta voidaan säätää käsin kolmeen eri asentoon ilman, että se vaikuttaa primääri-ilmavirtaan. Ilmastointipalkin ilmavirtausta voidaan säätää suuttimia muuttamatta tai vaihtamatta.

Toimintaperiaate

  • Ilmastointipalkkiyksikkö on varustettu moottoroidulla toimintatilan säätimellä (OMD).
    • Säädettävällä ilmavirtauksella toimivassa palkissa on vain yksi kanavaliitäntä.
    • Kaksi tuotemallia, joiden ilmavirtaa voi säätää manuaalisella CAV-säätimellä tai moottoroiduilla VAV-toimilaitteilla
      • Flexible-tuotemalli on varustettu moottoroiduilla (0–10 VDC) VAV-toimilaitteilla 0–100 %:n ilmavirran säätöä ja paineesta riippuvaista toimintaa varten
      • Autonomic-tuotemalli on varustettu moottoroiduilla (0–10 VDC tai Modbus RTU/BACnet MSTP) VAV-toimilaitteilla paineesta riippumattomaan 0–100 %:n ilmavirran säätöön
  • Primääri-ilmavirtaa voi säätää kokoushuoneissa minimistä maksimiin (0–100 %), kun staattinen kammion paine pidetään vakiona.
  • Tuloilma huonetilaan on kaksisuuntainen.

Rakenne

  • Etulevy voidaan avata molemmilta puolilta huolto- ja puhdistustoimenpiteitä varten.
  • Etulevyn avaamiseen ei tarvita erikoistyökaluja.
  • Aktiivisen ilmastointipalkin leveys on 595 mm ja korkeus 230 mm.
  • Aktiivisen ilmastointipalkin tuloilmakanavan läpimitta on 160 mm.
  • Kaikki putket on valmistettu kuparista, ja liitäntäputkien seinämän paksuus on 0,9–1,0 mm.

Materiaali

  • Kehys sekä etu- ja sivulevyt on valmistettu sinkitystä teräslevystä.
  • Kaikki näkyvät osat on maalattu valkoisiksi RAL 9003, 20 %:n kiilto.
  • Kaikki liitokset on juotettu ja painekoestettu tehtaalla.
  • Putkiston suurin sallittu käyttöpaine on 1,0 MPa.
  • Aktiivisessa ilmastointipalkissa on mittausyhteet, jotka mahdollistavat ilmavirran mittaukset kaikissa toimintatiloissa.

Pakkaus ja kuljetus

  • Ilmastointipalkit toimitetaan muovilla suojattuna.
  • Kanavaliitännän ja putkien päät on suljettu kuljetuksen ajaksi.
  • Kukin ilmastointipalkki on yksilöllisesti tunnistettavissa sekä palkkiin että muovipakkaukseen kiinnitetyn tarran avulla.

Asennus

Aktiivinen Halton Rex R6W -ilmastointipalkki voidaan asentaa alakattoon. Tuloilma- ja vesipiiriliitäntöjen suunnat tulee ottaa huomioon ilmastointipalkin asennussuuntaa valittaessa.

Ilmastointipalkki voidaan kiinnittää suoraan kattopintaan (H1 = 195 mm) tai ripustaa kattoon 8 mm:n kierretankojen avulla. Kiinnityspisteet sijaitsevat kuvan osoittamissa kohdissa yksikön pituuden mukaan.

Asenna jäähdytys- ja lämmitysvesipiirien runkoputket ilmastointipalkin tason yläpuolelle, jotta putkiston ilmaus onnistuu hyvin.

Asennus kiinnikkeen avulla

Kuva 15. Kiinnike, kokonaispituus 1 200–1 700 mm
Kuva 16. Kiinnike, kokonaispituus 1 800–2 300 mm
Kuva 17. Kiinnike, kokonaispituus 2 400–2 900 mm
Kuva 18. Kiinnike, kokonaispituus 3 000–3 600 mm

Käyttöönotto

Jäähdytys

Suositeltava jäähdytysveden massavirta on 0,02–0,10 kg/s, jolloin lämpötilan nousu lämmönsiirtimessä on 1–4 °C. Kondensoitumisen välttämiseksi lämmönsiirtimen menoveden suosituslämpötila on 14–16 °C.

Lämmitys

Suositeltava lämmitysveden massavirta on 0,01–0,04 kg/s, jolloin lämpötilan lasku lämmönsiirtimessä on 5–15 °C. Lämmönsiirtimen menoveden enimmäislämpötila on 35 °C.

Vesivirtojen tasapainotus ja säätö

Veden virtausnopeus, jota voidaan säätää ON/OFF-venttiilillä tai suhteellisesti toimivalla kaksi- tai kolmitieventtiilillä, säätelee ilmastointipalkin viilennys- ja lämmitystoimintoja.

Tuloilman tilavuusvirran säätö

Liitä manometri mittausyhteeseen ja mittaa Halton Rex R6W -ilmastointipalkin staattinen paine. Kuvassa 19 esitetään toimintatilan säätimen (OMD) ja kammioiden 1 ja 2 mittausyhteiden sijainnit.

Kuva 19. Mittausyhteiden sijainti

Selitykset:

Nro Sijainti Väri
1 Kammio 1 Vihreä
2 OMD Sininen
3 Kammio 2 Punainen

Ilman kokonaistilavuusvirta (q v )

qv Ilman kokonaistilavuusvirta, l/s tai m3/h
qv1 Kammion 1 suuttimen ilman tilavuusvirta, l/s tai m3/h
qv2 Kammion 2 suuttimen ilman tilavuusvirta, l/s tai m3/h

leff Patterin pituus (palkin pituus – 200 mm)
Δ pm Kammion 1 mitattu paine qv1:lle tai kammion 2 mitattu paine qv2:lle

k [l/s] k [m3/h]
B 1,06 3,82
C 1,35 4,86

Kaikissa toimintatiloissa käytetään samoja k-kertoimia.

Huolto

Kuva 20. Halton Rex R6W -ilmastointipalkki (TC=H) ja keskeiset komponentit

Nro Osa Kuvaus
1 Lämmönsiirrin
2 Tuloilmaliitäntä
3 Toimintatilan säädin (OMD) Huoltoluukku, josta pääsee manuaaliseen tai moottoroituun säätimeen
4 Sivulevy
5 Etulevy

Avaa tuloilmakammion, kanaviston ja lämmönsiirtimen etulevy. Yli 2 400 mm:n pituisten palkkien etulevy voidaan avata kahdessa osassa.

Puhdista tuloilmakammio ja lämmönsiirtimen lamellikierukat pölynimurilla. Varo vahingoittamasta lamellikierukoita.

Puhdista etulevy ja tarvittaessa myös sivulevyt kostealla liinalla.

Tilauskoodi

R6W-M-S-L-P; SP-ED-TC-CR-CN-CO-ZT

Päävaihtoehdot
M = Malli
F Flexible
A Autonomic
S = Suuttimen koko, 1. rivi
B Pieni
C Keski
L = Palkin pituus [mm] 1200, +100,…,3600 (ja 1720)
P = Suuttimen koko, 2. rivi
B Pieni
C Keski
Muut ominaisuudet ja lisävarusteet
SP = Järjestelmäpaketti
N Ei
Y Kyllä
ED = Kanavaliitäntä
R3 Oikea (Ø 160)
L3 Vasen (Ø 160)
TC = Jäähdytys-/lämmityspatterin tyyppi
C Jäähdytys
H Jäähdytys ja lämmitys
CR = Patterin painehäviö
N Normaali
L Pieni
CN = Säätötyyppi
MA Manuaalinen
M1 Moottoroitu (0…10 VDC)
M2 Moottoroitu (Modbus RTU/BACnet MSTP)
CO = Väri
SW Valkoinen (Signal White, RAL 9003)
X Erikoisväri (RAL xxxx)
ZT = Räätälöity tuote
N Ei
Y Kyllä (ETO)
Alituotteet
Järjestelmäpaketti Halton Workplace WRA
Huoneen ilmanpoiston VAV-säädin Halton Max MOC
Huoneen ilmanpoiston VAV-säädin Halton Max MUC
Tilauskoodiesimerkki
R6W-F-B-1800-B; SP=N, ED=R3, TC=C, CR=L, CN=M1, CO=SW, ZT=N

Downloads

  • Halton Rex R6W – Technical description

    Data

    English (en)
    Shape 2
  • Halton Rex R6W – Description technique

    Data

    Français (fr)
    Shape 2
  • Halton Rex R6W – Tekninen kuvaus

    Data

    Suomi (fi)
    Shape 2
  • Halton Rex R6W – Teknisk beskrivning

    Data

    Svenska (sv)
    Shape 2

"*" indicates required fields

This field is for validation purposes and should be left unchanged.
Markkinointiviestinnän suostumus
Max. file size: 128 MB.