Product / SLL
Halton SLL – Diffuseur linéaire à fentes
Le diffuseur linéaire Halton SLL est prévu pour un montage plafonnier ou mural dans diverses applications.
Profil de la veine d’air réglable, souplesse d’orientation avec plusieurs configurations.
- Profil de la veine d’air réglable, souplesse d’orientation avec plusieurs configurations
- Montage plafonnier ou mural, convient également pour les montages en bandeaux
Présentation
- Soufflage vertical (projection) ou horizontal (diffusion) avec fentes réglables individuellement; convient également pour la reprise l’insufflation, l’extraction et l’extraction avec filtre
- Effet Coanda assuré sur une large gamme de débits
- Montage plafonnier ou mural, montage en bandeau avec parties actives et fictives de même esthétique
- Déflecteurs réglables, souplesse d’orientation avec plusieurs configurations
- Même esthétique pour les diffuseurs de soufflage et de reprise
- Diffuseur démontable, permettant le nettoyage de l’unité complète et celui de la gaine
Modéles
- Modéles de cadres : Standard, Cubus et Caché
- Options sur plaque : en T et Fineline
Options et Accessoires
- Plénum garantissant un bon volume de détente pour une diffusion d’air de qualité et un niveau sonore réduit : plénum de raccordement horizontal (Halton PLL) ou plénum de raccordement horizontal insonorisé 2 ou 5 faces (Halton PLLi)
- Plénum de raccordement en série économique à bords droits (Halton PLD)
- Plénum équipé de raccordement(s) circulaire(s) de 160 à 250 mm de diamètre avec joint caoutchouc
- Module de réglage MSM pour mesure et équilibrage du débit. Utilisation uniquement en soufflage (pas de possibilité de montage pour PLL 1 fente)
- Embouts spéciaux pour intégration aux différents types de faux-plafond modulaire (standard, Fineline…)
- Guide d’alignement permettant un alignement parfait pour montage en bandeaux
- Étriers staff
- Montage Fineline
- Reprise ouvrante avec filtre (ouverture par pivotement de la façade ou par push-pull).
Principe de fonctionnement

L’air de soufflage est diffusé au travers des fentes du diffuseur, soit horizontalement avec effet de plafond, soit verticalement en projection.
Pour le montage mural, la veine d’air est projetée horizontalement ou dirigée vers le plafond pour augmenter la portée.
Pour l’extraction, le diffuseur est fourni sans déflecteurs internes.
Caractéristiques et options
| Accessoire | Code | Description |
| Plenum | PLL | Plénum de raccordement sur gaine (avec ou sans matériau insonorisant) |
| Plenum | PLD | Plénum de raccordement sur gaine (sans matériau insonorisant) |
| Embouts | N1 | Largeur = 23 mm (2 pces) |
| E1 | Largeur = 12.5 mm (2 pces) | |
| O1 | Largeur = 23 mm (1 pce) | |
| O2 | Largeur = 12.5 mm (1 pce) | |
| O4 | Plat (Cubus) | |
| Etriers d’installation | – | Pour installation du diffuseur dans un plénum Halton PLL ou PLD |
| Etriers staffs | – | Pour installation du diffuseur sans plénum |
Des pièces d extrémités spéciales sont réalisables en fonction du type de faux plafond. Veuillez contacter le service commercial.
Remarque : lorsque le Halton PLD est équipé d’un filtre, il faut utiliser des rivets ou des vis pour fixer le diffuseur au plénum.
Structure et matériaux

| No | Pièce | Matériau | Finition | Remarque |
| 1 | Cadre | Aluminium | Brute, peinture epoxy-polyester blanc (RAL 9003/30 % brillance) |
Couleurs spéciales disponibles 100 % peinture époxy en option |
| 2 | Embouts | Aluminium | Brute, peinture epoxy-polyester blanc (RAL 9003/30 % brillance) |
Couleurs spéciales disponibles 100 % peinture époxy en option |
| 3 | Supports volets | Aluminium | Brute, peinture epoxy-polyester blanc (RAL 9003/30 % brillance) |
Couleurs spéciales disponibles 100 % peinture époxy en option |
| 4 | Profilés en T | Aluminium | Brute, peinture epoxy-polyester blanc (RAL 9003/30 % brillance) |
Couleurs spéciales disponibles 100 % peinture époxy en option |
| 5 | Volets de déflexion du flux (soufflage uniquement) |
Aluminium | Brute | Couleurs spéciales disponibles 100 % peinture époxy en option |
Dimensions
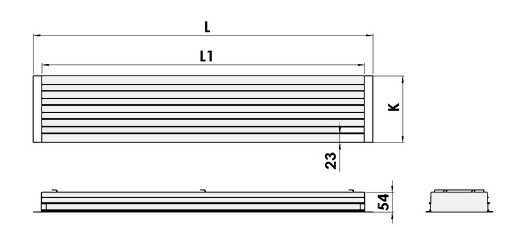
Halton SLL, modèle avec cadre standard (FT=S)


La longueur active maximale d’un élément est de 2000 mm. La longueur minimale est de 372 mm. Possibilité de montage en bandeaux pour les longueurs d’installation supérieures à 2000 mm
Halton SLL + Halton PLL
Halton SLL, modèle avec cadre standard (FT=S)

Les dimensions standards de l’assemblage Halton SLL + Halton PLL avec embouts standards sont présentées dans la table ci-dessous.
Les nombres de piquages recommandés par Halton sont indiqués dans le tableau ci-dessous. Autres dimensions et nombres de piquages sur demande. Veuillez contacter votre service commercial.
| Longueur active | Nombre de fentes | F | L | L1 | H | H1 | K | K1 | K2 | ØD |
| 572 | 1 | 54 | 618 | 572 | 255..275 | 200 | 67 | 47 | 117 | 1×160 |
| 872 | 1 | 54 | 918 | 872 | 255..275 | 200 | 67 | 47 | 117 | 1×160 |
| 1172 | 1 | 54 | 1218 | 1172 | 255..275 | 200 | 67 | 47 | 117 | 1×160 |
| 1472 | 1 | 54 | 1518 | 1472 | 255..275 | 200 | 67 | 47 | 117 | 2×160 |
| 1772 | 1 | 54 | 1818 | 1772 | 255..275 | 200 | 67 | 47 | 117 | 2×160 |
| 572 | 2 | 92 | 618 | 572 | 295..315 | 240 | 105 | 85 | 155 | 1×200 |
| 872 | 2 | 92 | 918 | 872 | 295..315 | 240 | 105 | 85 | 155 | 1×200 |
| 1172 | 2 | 92 | 1218 | 1172 | 295..315 | 240 | 105 | 85 | 155 | 1×200 |
| 1472 | 2 | 92 | 1518 | 1472 | 295..315 | 240 | 105 | 85 | 155 | 2×200 |
| 1772 | 2 | 92 | 1818 | 1772 | 295..315 | 240 | 105 | 85 | 155 | 2×200 |
| 572 | 3 | 130 | 618 | 572 | 295..315 | 240 | 143 | 123 | 193 | 1×200 |
| 872 | 3 | 130 | 918 | 872 | 295..315 | 240 | 143 | 123 | 193 | 1×200 |
| 1172 | 3 | 130 | 1218 | 1172 | 295..315 | 240 | 143 | 123 | 193 | 1×200 |
| 1472 | 3 | 130 | 1518 | 1472 | 295..315 | 240 | 143 | 123 | 193 | 2×200 |
| 1772 | 3 | 130 | 1818 | 1772 | 295..315 | 240 | 143 | 123 | 193 | 2×200 |
| 572 | 4 | 168 | 618 | 572 | 345..365 | 290 | 181 | 161 | 231 | 1×250 |
| 872 | 4 | 168 | 918 | 872 | 345..365 | 290 | 181 | 161 | 231 | 1×250 |
| 1172 | 4 | 168 | 1218 | 1172 | 345..365 | 290 | 181 | 161 | 231 | 1×250 |
| 1472 | 4 | 168 | 1518 | 1472 | 345..365 | 290 | 181 | 161 | 231 | 2×250 |
| 1772 | 4 | 168 | 1818 | 1772 | 345..365 | 290 | 181 | 161 | 231 | 2×250 |
| 572 | 5 | 206 | 618 | 572 | 345..365 | 290 | 219 | 199 | 269 | 1×250 |
| 872 | 5 | 206 | 918 | 872 | 345..365 | 290 | 219 | 199 | 269 | 1×250 |
| 1172 | 5 | 206 | 1218 | 1172 | 345..365 | 290 | 219 | 199 | 269 | 1×250 |
| 1472 | 5 | 206 | 1518 | 1472 | 345..365 | 290 | 219 | 199 | 269 | 2×250 |
| 1772 | 5 | 206 | 1818 | 1772 | 345..365 | 290 | 219 | 199 | 269 | 2×250 |
| 572 | 6 | 244 | 618 | 572 | 345..365 | 290 | 257 | 237 | 277 | 1×250 |
| 872 | 6 | 244 | 918 | 872 | 345..365 | 290 | 257 | 237 | 277 | 1×250 |
| 1172 | 6 | 244 | 1218 | 1172 | 345..365 | 290 | 257 | 237 | 277 | 1×250 |
| 1472 | 6 | 244 | 1518 | 1472 | 345..365 | 290 | 257 | 237 | 277 | 2×250 |
| 1772 | 6 | 244 | 1818 | 1772 | 345..365 | 290 | 257 | 237 | 277 | 2×250 |
Réservation à prévoir : F x (L1+10)
Type de cadre : Cubus (FT=C)
| Caractéristique | Nombre de fentes | K3 |
| Longueur active (L) | 1 | 40 |
| 2 | 78 | |
| 3 | 116 | |
| 4 | 154 | |
| 5 | 192 | |
| 6 | 230 |
Type de cadre: Caché (FT=H)

| Caractéristique | Nombre de fentes | Kx |
| Longueur active (L) | 1 | 68 |
| 2 | 106 | |
| 3 | 144 | |
| 4 | 182 | |
| 5 | 220 | |
| 6 | 258 |
Option sur plaque : plafond e T (FP=TC1, TC2)
| Plaque | L2 | Longueur active (L) | Nombre de fentes | K4 |
| TC1 | 1195 | 572, 872 ou 1150 | 1 | 39 |
| 2 | 77 | |||
| 3 | 115 | |||
| 4 | 153 | |||
| 5 | 191 | |||
| 6 | 229 | |||
| TC2 | 1345 | 572, 872, 1150, 1172, 1250 ou 1300 | 1 | 39 |
| 2 | 77 | |||
| 3 | 115 | |||
| 4 | 153 | |||
| 5 | 191 | |||
| 6 | 229 |
Option sur plaque : plafond Fineline (FP=FC1, FC2)
| Plaque | L2 | Longueur active (L) | Nombre de fentes | K4 |
| FC1 | 1183 | 572, 872 ou 1150 | 1 | 39 |
| 2 | 77 | |||
| 3 | 115 | |||
| 4 | 153 | |||
| 5 | 191 | |||
| 6 | 229 | |||
| FC2 | 1333 | 572, 872, 1150, 1172, 1250 ou 1300 | 1 | 39 |
| 2 | 77 | |||
| 3 | 115 | |||
| 4 | 153 | |||
| 5 | 191 | |||
| 6 | 229 |
Spécifications
Fonctionnement
- Le taux d’induction important du diffuseur lui permet de travailler avec un écart de température soufflage/ambiance allant jusqu’à 12°C.
- Le diffuseur accepte le fonctionnement en débit constant, mais aussi en débit variable.
- Le diffuseur de reprise présente le même aspect esthétique que le diffuseur de soufflage mais ne comporte pas de déflecteurs.
- Plénum de raccordement type PLL avec un volume de détente important permettant une bonne répartition de la veine d’air sur le diffuseur.
Matériaux
- Diffuseur linéaire Halton SLL en aluminium pour montage plafonnier.
- Fabrication en aluminium revêtu d’une peinture époxy-polyester de couleur standard blanche (RAL 9003/30% brillance).
- Fabrication du plénum en acier galvanisé d’épaisseur 6/10. Isolation en laine minérale de 15 mm avec classement au feu Euroclasse A2 s1 d0.
Structure
- Le diffuseur de soufflage est équipé d’ailettes déflectrices en partie arrière du diffuseur pour orientation de la veine d’air.
- Ces ailettes seront réglables sans démontage de la façade et sans outil spécifique. Elles seront invisibles en face avant et permettront en cas de besoin la fermeture totale ou partielle de chaque fente de soufflage individuellement.
- La fixation des diffuseurs dans le plénum se fera au moyen d’étriers de montage, permettant ainsi le réglage en altimétrie du diffuseur et garantissant ainsi une planéité totale avec le faux-plafond.
- L’insonorisation 2 ou 5 faces du diffuseur n’empiète pas sur le passage de l’air.
- Organe de mesure et de réglage de débit MSM.
Modèles de produits
Type de cadre : Standard (FT=S)

Type de cadre : Cubus (FT=C)

Frame model: Caché (FT=H)

Option sur plaque : plafond en T (FP=TC1 or TC2)

Option sur plaque : plafond Fineline (FP=FC1 or FC2)

Installation

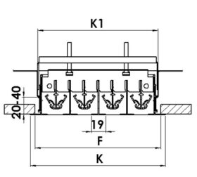
| Numéro | Composant |
| 1 | Etrier |
| 2 | Entretoise |
| 3 | Vis |
Le diffuseur linéaire Halton SLL se raccorde directement sur un caisson Halton PLL ou Halton PLD.
Le plénum s’installe dans le plafond suspendu avec des tiges de suspension M8 (non fournies) et se raccorde sur la gaine de ventilation.
- Déposer les profilés en T du Halton SLL en les tirant doucement pour pouvoir accéder aux entretoises situées juste derrière les profilés.
- Mettre en place les étriers de fixation dans les rainures du caisson et les fixer solidement au moyen des vis fournies avec le diffuseur.
- Engager chaque vis dans les trous des entretoises. Les visser jusqu’à ce que le diffuseur soit affleurant au plafond.
- Remettre les profilés en T en place.
Le diffuseur Halton SLL peut s’utiliser pour une reprise en ‘vrac avec un montage par étriers staff.
Remarque : lorsque le Halton PLD est équipé d’un filtre, il faut utiliser des rivets ou des vis pour fixer le diffuseur au plénum.
Montage en Bandeau
La longueur maximum d’un diffuseur est de 2000mm. Lorsque cette longueur est supérieure à cette longueur, alors il est nécessaire d’aligner les diffuseurs côte à côte : c’est le montage en bandeau.
Des guides d’alignement sont fournis de manière à rendre l’assemblage plus aisé.

Installation du modèle cache (FT = H)

Le diffuseur linéaire à fente avec cadre dissimulé utilise les mêmes composants internes qu’un diffuseur linéaire standard, garantissant ainsi des performances techniques identiques. La différence réside dans son cadre en aluminium spécialement conçu ainsi que dans ses embouts, dotés d’un profil à arête effilée permettant une intégration parfaite du cadre dans le plafond. Une fois installé, le cadre peut être enduit afin d’obtenir un aspect entièrement dissimulé.
Les embouts amovibles se clipsent sur le diffuseur pour faciliter l’accès sur site, et une bande d’alignement est fournie de série. Le diffuseur peut également être raccordé à un plénum conventionnel. Comme l’assemblage interne est identique à celui du modèle standard, toutes les caractéristiques aérauliques et acoustiques restent inchangées.
Mise en service
L’orientation de la veine d’air sur 180° se fera en agissant avec un tournevis sur les ailettes de déflexion .L’orientation de diffusion de chaque fente est réglable individuellement sans démontage du profilé en T.
Les diffuseurs sont livrés non réglés avec les volets de déflexion en position ouverte.

Afin de permettre le réglage et la mesure du débit, il est recommandé de raccorder le diffuseur à un plénum Halton PLL ou PLD équipé d’un module MSM (soufflage) ou MEM (extraction).
Le débit de soufflage est déterminé au moyen du module de mesure et de réglage du débit MSM.
Démonter le diffuseur linéaire et faire passer les tubes et la tige de commande par les fentes du diffuseur linéaire.
Remettre le diffuseur en place.
Mesurer la différence de pression avec un manomètre différentiel. Le débit d’air correspondant est calculé selon la formule ci-dessous :

| ∆pm | Est le différence de pression mesurée [Pa] |
| k | Est un facteur dépendant du type de montage et du diamètre de la connection |
| qv | Est le débit d’air [l/s] |
Facteurs k pour des installations avec différentes distances de sécurité
(D = diamètre du conduit)
| NS | Distance de sécurité | |
| > 6D | min 3D | |
| 160 | 19 | 22 |
| 200 | 49 | 32 |
| 250 | 51 | 51 |
Régler le débit en tournant la tige de commande du MSM jusqu’à l’obtention de la valeur désirée.
Bloquer le registre dans cette position avec la molette.
Déposer le diffuseur linéaire, remettre les tubes et la tige de commande en place dans le caisson et remettre le diffuseur linéaire en place.
Entretien
- Déposer les profilés en T.
- Démonter le diffuseur linéaire en desserrant et déposant les vis des étriers.
- Nettoyer les pièces à l’aide d’un chiffon humide.
- Remettre le diffuseur linéaire en place en revissant les étriers sur les entretoises.
Option :
Avec un plénum d’équilibrage Halton PLD + MSM/ ou Halton PLL + MSM
Dégager le module de mesure et de réglage en tirant sur l’axe sans forcer (attention : ne pas tirer sur la tige de commande ni les tubes de mesure).
Nettoyer les différentes pièces avec un tissu humidifié, ne pas les plonger dans l’eau.
Remonter le module de mesure et de réglage en poussant sur l’axe jusqu’à ce que le module arrive en butée.
Remettre le diffuseur linéaire en place en revissant les étriers sur les entretoises
Code commade
SLL-S-N-L; FP-FT-SE-ST-FI-ID-CO-ZT
| Options principales | |
| S = Modèle | |
| S | Soufflage |
| E | Extraction |
| O | Ouvrant |
| N= Nombre de fentes | 1, 2, 3, 4, 5, 6 |
| L = Longueur [mm] | 372, +1, .., 49972 |
| Autres options et accessoires | |
| FP = Option sur plaque | |
| NA | Non affecté |
| TC1 | Plafond T (1200×300) |
| FC1 | Plafond fineline (1200×300) |
| TC2 | Plafond T (1350×300) |
| FC2 | Plafond (1350×300) |
| FT = Type de cadre | |
| S | Standard |
| C | Cubus |
| H | Caché |
| NA | Non affecté |
| SE = Embouts | |
| Y | Oui |
| N | Non |
| ST = Type d’embouts | |
| N1 | 23.0 mm (2 pces) |
| E1 | 12.5 mm (2 pces) |
| O1 | 23.0 mm (1 pces) |
| O2 | 12.5 mm (1 pces) |
| O4 | Plat (Cubus) |
| NA | Non affecté |
| FI = Finition | |
| PN | Peint |
| MF | Brut |
| ID = Diffuseur monté sur plénum | |
| N | Non |
| Y | Oui |
| CO = Couleur | |
| SW | Blanc de sécurité (RAL 9003) |
| X | Couleur spéciale (RAL xxx) |
| N | Pas de couleur |
| ZT = Produit spécial | |
| N | Non |
| Y | Oui (ETO) |
| Sous-produits | |
| PLL | Plénum |
| PLD | Plénum |
Exemple de code de commande
SLL-S-4-5200; FP=NA, FT=S, SE=Y, ST=N1, FI=PN, ID=N, CO=SW, ZT=N
Downloads
"*" indicates required fields


