Product / JSC
Halton Jaz JSC – Suutinhajottaja
Halton Jaz JSC on hyvän ilman sekoituksen ansiosta täydellinen valinta erityyppisiin käyttökohteisiin työpaikoista sairaaloihin.
Neliönmalliseen suutinhajottajaan on saatavilla kolme eri etulevymallia, joissa on eri määrät suuttimia ja jotka on suunniteltu tiettyjä ilmavirtavaatimuksia silmällä pitäen.
Hajottaja soveltuu asennettavaksi esim. toimisto- ja sairaalahuoneisiin, oppilaitoksiin ja julkisiin tiloihin.
- Säädettävät suuttimet
- Säätö ja mittaus liitäntälaatikolla Halton Pop PDI
Halton Jaz-hajottajat on suunniteltu Haltonin keskeisten arvojen mukaisesti, ja se täyttää seuraavat vaatimukset:
- Jätettä vähentävä ja lähellä markkinoita tapahtuva kestävä tuotanto.
- Erinomainen suorituskyky sekä ilmavirta-alueen että joustavuuden osalta.
- Miellyttävän sisäympäristön takaava hiljainen toiminta.
Yleiskuvaus
Halton Jaz JSC on hyvän ilman sekoituksen ansiosta täydellinen valinta erityyppisiin käyttökohteisiin
työpaikoista sairaaloihin. Neliönmalliseen hajottajaan on saatavilla kolme eri etulevymallia, joissa on eri määrät suuttimia ja jotka on suunniteltu tiettyjä ilmavirtavaatimuksia silmällä pitäen.
Käyttöalue
- Toimistojen, sairaalahuoneiden, koulujen ja julkisten tilojen ilmanvaihto
Keskeiset ominaisuudet
- Säädettävät suuttimet
- Hiljainen toiminta myös suurella ilmavirralla
- Säätö ja mittaus liitäntälaatikolla Halton Pop PDI
- Kattosovittimia saatavilla erityyppisille katoille
Toimintaperiaate

Kuva 1. Toimintaperiaate: Halton Jaz JSC
Ilmavirta johdetaan huonetilaan etulevyn suuttimien kautta. Suuttimien kaksikanavainen rakenne mahdollistaa
hiljaisen toiminnan ja suuren induktionopeuden.
Hajottajan virtauskuviota voi säätää kääntämällä suuttimet haluttuun suuntaan. Suutinkuvio on oletuksena
nelisuuntainen. Usein käytettyjä kuvioita ovat myös kolme-, kaksi- ja yksisuuntainen vaihtoehto, mutta
virtauskuviota voi muokata haluamallaan tavalla säädettävien suuttimien ansiosta. Tuloilmasuihkun suunnalla
ei ole vaikutusta melutasoon, painehäviöön tai ilman tilavuusvirtaan.
Suositeltava enimmäislämpötilaero tuloilman ja huoneilman välillä on 10 C.
Tekniset tiedot
| Ominaisuus | Kuvaus |
| Ilman tilavuus virta | Ilman maksimitilavuusvirta 162 l/s tai 580 m3/h, <35 dB |
| Mitat | 595 x 595 mm tai 420×420 mm |
| Paino | 2.0 – 4.4 kg |
| Säädettävyys | Yksittäin säädettävissä olevat suuttimet |
Ominaisuudet ja vaihtoehdot
| Luokka | Ominaisuus (tilauskoodi) |
Vaihtoehto (tilauskoodi) | Kuvaus |
| Hajottaja | Kanavaliitännän koko (D) |
125, 160, 200, 250 tai 315 | Viisi kanavaliitännän nimelliskokoa. Yksikkö on millimetri. |
| Hajottajan koko (A) |
420 | 420x420x50 mm. Saatavilla kanavaliitännän kokoihin 125, 160 tai 200. | |
| 600 | 595x595x70 mm. Saatavilla kaikkiin kanavaliitännän kokoihin. | ||
| Liitäntälaatikko PDI (alituote*) |
Malli (M) |
S | Varustettu tuloilman säätö- ja mittausmoduulilla MSM |
| E | Varustettu poistoilman säätömoduulilla MEM | ||
| N | Ei ilmavirran säätömoduulia | ||
| Koot | D | Liitäntälaatikon kanavaliitännän koko. Koko voi olla sama tai yhden koon suurempi kuin hajottajan kanavaliitännän koko. | |
| E | Hajottajan liitännän koko. Koko on sama kun hajottajan kanavaliitännän koko. | ||
| Äänenvaimennus-materiaali (AT) | P | Äänenvaimennusmateriaali polyesteriä |
|
| W | Äänenvaimennusmateriaali mineraalivillaa |
||
| NA | Ei äänenvaimennusmateriaalia | ||
| Kattosovitin CA 420 x 420-hajottajille (lisävaruste*) |
Malli (M) | S1 | Vakio 595×595 mm Ecophon Focus A, Rockfon A |
| H1 | Piilotettu asennus Ecophon Focus Ds, Rockfon X |
||
| P1 | Osittain piilotettu asennus Ecophon Focus Dg, Rockfon M |
||
| C1 | Clip-in Dampa clip-in, suorakulmainen |
||
| R1 | Upotettu Ecophon Focus E, Rockfon E, T24 |
* Tilataan erikseen
Pikavalinta
Arvot säätömoduulin (MSM) ollessa täysin auki.

Kuva 2. Pikavalinta, yksikkö l/s

Kuva 3. Pikavalinta, yksikkö m3/h
Rakenne ja materiaalit

| Nro. | Osa | Kuvaus | Huom. |
| 1 | Etulevy | Polyesterimaalattu teräs, valkoinen (RAL 9003) |
Saatavana erikoisvärejä |
| 2 | Suuttimet | Muovi, polyasetaali (POM) | Värivaihtoehdot: valkoinen, musta ja harmaa |
| 3 | Etulevyn jouset | Ruostumaton teräs | – |
| 4 | Kanavatiiviste | Polymeeri | – |
| 5 | Lähtökaulus | Sinkitty teräs | – |
| 6 | Kotelo | Polyesterimaalattu teräs, valkoinen (RAL 9003) |
Saatavana erikoisvärejä |
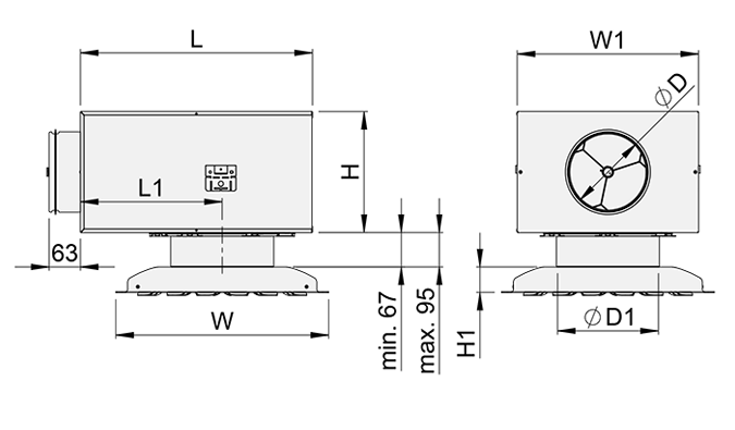
Mitat ja paino

Kuva 4. Hajottajan Halton Jaz JSC mitat, 600×600 mm (vasen) ja 420×420 mm (oikea)
| JSC | ØD [mm] | Suuttimien lukumäärä | Paino [kg] |
| 125-420 | 125 | 16 | 2.0 |
| 160-420 | 159 | 36 | 2.1 |
| 200-420 | 199 | 36 | 2.2 |
| 125-600 | 124 | 16 | 4.4 |
| 160-600 | 159 | 36 | 4.4 |
| 200-600 | 199 | 36 | 4.0 |
| 250-600 | 249 | 64 | 4.1 |
| 315-600 | 314 | 64 | 4.2 |
Halton Jaz JSC ja liitäntälaatikko Halton Pop PDI

Kuva 5. Halton Jaz JSC ja Halton Pop PDI liitäntälaatikko, lähtökaulus asennettuna ulospäin

Kuva 6. Halton Jaz JSC ja Halton Pop PDI liitäntälaatikko, lähtökaulus asennettuna sisäänpäin
| JSC | W [mm] |
PDI | ØD [mm] |
ØD1 [mm] |
L [mm] |
W1 [mm] |
H [mm] |
H1 [mm] |
L1 [mm] |
Paino [kg] |
| 125-420 | 420 | 100-125 | 99 | 127 | 308 | 282 | 172 | 50 | 168 | 4.7 |
| 420 | 125-125 | 124 | 127 | 308 | 282 | 172 | 50 | 168 | 4.8 | |
| 160-420 | 420 | 125-160 | 125 | 162 | 308 | 282 | 172 | 50 | 168 | 4.8 |
| 420 | 160-160 | 159 | 162 | 458 | 358 | 239 | 50 | 280 | 7.1 | |
| 200-420 | 420 | 160-200 | 159 | 202 | 458 | 358 | 239 | 50 | 280 | 7.1 |
| 420 | 200-200 | 199 | 202 | 458 | 358 | 239 | 50 | 280 | 7.2 | |
| 125-600 | 595 | 100-125 | 99 | 127 | 308 | 282 | 172 | 70 | 168 | 7.1 |
| 595 | 125-125 | 124 | 127 | 308 | 282 | 172 | 70 | 168 | 7.2 | |
| 160-600 | 595 | 125-160 | 124 | 162 | 308 | 282 | 172 | 70 | 168 | 7.1 |
| 595 | 160-160 | 159 | 162 | 458 | 358 | 239 | 70 | 280 | 9.4 | |
| 200-600 | 595 | 160-200 | 159 | 202 | 458 | 359 | 239 | 70 | 280 | 8.9 |
| 595 | 200-200 | 199 | 202 | 458 | 359 | 239 | 70 | 280 | 9.0 | |
| 250-600 | 595 | 200-250 | 199 | 252 | 458 | 359 | 239 | 70 | 280 | 9.0 |
| 595 | 250-250 | 249 | 252 | 520 | 480 | 359 | 70 | 280 | 12.3 | |
| 315-600 | 595 | 250-315 | 249 | 317 | 520 | 480 | 359 | 70 | 280 | 12.2 |
| 595 | 315-315 | 314 | 317 | 520 | 480 | 359 | 70 | 280 | 12.4 |
Tekninen määrittely
Neliönmallinen hajottaja, joka sopii asennukseen alakattoihin seuraavien vaatimusten täyttyessä:
Rakenne
- Etulevy on avattavissa ja irrotettavissa huolto- ja puhdistustoimenpiteitä varten.
- Etulevy irrotettavissa ilman erikoistyökaluja.
- Nelisuuntainen ilmanjako.
- Yksittäin säädettävissä olevat suuttimet muuttavat ilmanjakoa tarvittaessa.
- Kaksirakoiset suuttimet takaavat tehokkaan ilman sekoittumisen ja hiljaisen toiminnan.
- Yksikköjen koot:
- 595 x 595 mm, korkeus 70 mm
- 420 x 420 mm, korkeus 50 mm
- Tulokanavan halkaisija 125, 160, 200, 250 tai 315 mm.
Materiaalit
- Kotelo ja etulevy on valmistettu teräksestä.
- Kotelo ja etulevy jauhemaalattu valkoiseksi, RAL 9003, 30 %:n kiilto.
- Liitännän lähtökaulus on valmistettu sinkitystä teräksestä.
- Liitännän lähtökauluksessa on kiinteä tiiviste.
Malli, jossa tasaava liitäntälaatikko
- Hajottajaan liitetään sinkitystä teräksestä valmistettu liitäntälaatikko Halton Pop PDI.
- Liitäntälaatikossa on kiinteä tiiviste, jotta kanavaliitännästä tulee ilmatiivis.
- Liitäntälaatikossa on irrotettava MSM-säätömoduuli tuloilmalle tai MEM-moduuli poistoilmalle.
Pakkaus ja tunnistetiedot
- Tuote toimitetaan muovilla suojattuna.
- Tuote toimitetaan pahvilaatikkoon pakattuna.
- Tuote on tunnistettavissa sekä tuotteeseen että pahvilaatikkoon kiinnitetystä etiketistä.
Asennus

Kuva 7. Hajottaja Halton Jaz JSC liitettynä liitäntälaatikkoon Halton Pop PDI
Hajottaja on saatavilla 595 × 595 mm:n koossa, joka soveltuu suoraan asennukseen modulaarisiin T-listakattoihin (600 × 600 mm) joko listan ylä- tai alapuolelle.
Hajottaja asennetaan yleensä tasaavaan liitäntälaatikkoon Halton Pop PDI (katso kuva 5). Se voidaan asentaa
myös suoraan kanavaan niitti- tai ruuvikiinnityksellä. Siinä tapauksessa etäisyyden seuraavaan T-haaraan tai
kaariosaan on oltava vähintään kolme kertaa kanavan halkaisija (3 x ØD).
Mukautuksia erilaisille kattotyypeille voidaan valmistaa koossa 420×420 mm ja saatavilla on erillinen
kattosovitin (CA, tilataan lisävarusteena, katso kuva 6). Katso lisätietoja kattosovittimista kohdasta Lataukset.

Kuva 8. Halton Jaz JSC – 420, 595×595 mm kattosovittimen kanssa (CA)
Käyttöönotto

Kuva 9. Hajottaja-liitäntälaatikko-yhdistelmän ilmavirran säätö.
Ilmavirran säätö
Hajottajassa itsessään ei ole ilmavirran säätöä. Tuloilman tilavuusvirran säätämiseksi ja mittaamiseksi hajottaja varustetaan liitäntälaatikolla Halton Pop PDI, jossa on MSM-mittaus- ja säätömoduuli. Poistoilmaa varten suositellaan MEM-säätömoduulin käyttöä. Poistoilman tilavuusvirtaa ei voi mitata MEM-säätömoduulin avulla.
Avaa etulevy ja vedä putket ja säätökara hajottajan etulevyn läpi (kts. kuva 8). Kiinnitä etulevy paikalleen.
Mittaa paine-ero manometrin avulla. Ilman tilavuusvirta lasketaan oheisen kaavan avulla:
![]()
jossa
- qv Ilman tilavuusvirta [l/s] tai [m3/h]
- ∆pm Mitattu paine [Pa]
- k k-kerroin (kts. taulukko alla)
Säädä ilman tilavuusvirta (paine-ero) haluamaasi arvoon kääntämällä säätökaraa.
Aseta putket ja säätökara takaisin liitäntälaatikkoon. Ilmavirtasäätimen asento voidaan lukita säätimen pyälletyllä ruuvilla.
| Kanavaliitäntä (PDI) | MSM-säätimen k-kerroin, avaus > 0 [l/s] | |
| > 8D | Min. 3D | |
| 100 | 5.7 | 7.5 |
| 125 | 9.6 | 12.6 |
| 160 | 16.4 | 21.9 |
| 200 | 26.3 | 31.0 |
| 250 | 47.1 | 51.5 |
| 315 | 78.8 | – |
| Kanavaliitäntä (PDI) | MSM-säätimen k-kerroin, avaus > 0 [m3/h] | |
| > 8D | Min. 3D | |
| 100 | 20.6 | 27.0 |
| 125 | 34.4 | 45.4 |
| 160 | 59.0 | 78.8 |
| 200 | 94.8 | 111.6 |
| 250 | 169.5 | 185.4 |
| 315 | 283.6 | – |
Huolto
Irrota hajottajan etulevy ja päästä se saranoiden varaan. Kukin suutin on tarvittaessa helposti irrotettavissa painamalla rajoitinta ja vetämällä suutin etulevyn läpi.
Pyyhi hajottajan kotelo, suuttimet ja etulevy puhtaiksi kostealla liinalla.
Kiinnitä suuttimet etulevyyn työntämällä ne paikalleen. Kiinnitä etulevy takaisin paikalleen puhdistuksen
jälkeen.
Tasaavaa liitäntälaatikkoa käytettäessä
Irrota mittaus- ja säätömoduuli vetämällä varovasti akselista (ei säätökarasta eikä mittausputkista).
Puhdista osat kostealla liinalla, mutta älä upota osia veteen. Puhdista myös liitäntälaatikon sisäosa (irrota
äänenvaimennusmateriaali tarvittaessa).
Asenna moduuli takaisin työntämällä akselista, kunnes yksikkö osuu rajoittimeen.
Kiinnitä etulevy takaisin paikalleen puhdistuksen jälkeen.
Tilauskoodi
JSC-D-A; CO-ZT
| Päävaihtoehdot | |
| D = Hajottajan kanavaliitännän koko [mm] | 125, 160, 200, 250, 315 |
| A = Hajottajan koko [mm] | 600 |
| Muut ominaisuudet ja lisävarusteet | |
| C = Väri | |
| SW | Signal white (RAL 9003) |
| X | Erikoisväri (RAL xxxx) |
| ZT = Räätälöity tuote | |
| N | Ei |
| Y | Kyllä (ETO) |
| Alituotteet ja lisävarusteet (tilataan erikseen) |
|
| Halton Pop PDI | Tasaava liitäntälaatikko |
| CA | Kattosovitin eri tyyppisille katoille, koko JSC-420 |
Tilauskoodiesimerkki
JSC-125-420; CO=SW, ZT=N
Downloads
-
Halton Jaz JSC – Nozzle diffuser
Data
en
-
Halton Jaz JSC – Suutinhajottaja
Data
fi
-
Halton Jaz JSC – Diffuseur multi-buses
Data
fr
-
Halton Jaz JSC – Spridare med dysa
Data
se
-
Halton Jaz JSC – Technical description
Data
English (en) -
Installation instruction – Halton Jaz JMC, JSC, JRC, JWC – Universal
Data
English (en) -
Halton Supply Air Diffusers brochure
Data
English (en) -
Halton ceiling adapters for Halton Jaz JRC and JSC diffusers
Data
English (en) -
Halton tuloilmahajottajat – esite
Data
Suomi (fi) -
Halton Kattosovittimet Halton Jaz JSC/JRC -hajottajille
Data
Suomi (fi) -
Halton Tilluftsspridare broschyr
Data
Swedish (sv) -
Undertaksadaptrar för Halton Jaz JSC och JRC
Data
Swedish (sv) -
Environmental Product Declaration (EPD) – Halton Jaz JCC, JDA, JSC (diffusers)
Data
English (en) -
Halton Jaz JSC – Fiche technique
Data
Français (fr)
"*" indicates required fields