Product / MUC
Översikt
Cirkulärt spjäll för styrning av luftflöde med ultraljudsteknik för luftflödesmätning.
Tillämpningsområden
- Variabel (VAV) och konstant (CAV) styrning av luftflöde
- Tillufts- och frånluftsinstallationer
Huvudfunktioner
- Okänslig för ansamling av damm
- Utrymmesmässig flexibilitet
- Individuellt kalibrerad för högre noggrannhet
- Låg tryckförlust för minskad bullernivå
- Kan anslutas till ett byggnadsstyrsystem (BMS)
Driftsprincip

Fig.1. Halton Max MUC har två ultraljudsgivare för luftflödesmätning.
Spjället kan fungera som både en till- eller frånluftsenhet. Spjället upprätthåller det nödvändiga luftflödet med hjälp av ultraljudsmätning, oavsett luftflöde och tryckvariationer i kanalerna.
Spjället har en luftflödesstyrenhet, två ultraljudsgivare för luftflödesmätning, en lufttemperaturgivare och ett ställdon för styrning av spjällbladet. Luftflödesstyrenheten har en kontrollpanel för att visa mätvärden och ställa in driftsparametrar.
Luftflödesstyrenheten kan ta emot börvärdessignalen via
- Modbus RTU-nätverksvariabel,
- kontrollpanelens ingång,
- analog standardsignal.
Alla tre styrlägena synkroniseras med varandra. Luftflödesmätningen omfattar temperatur- och kanaltypskompensationer, vilket ger exakta och tillförlitliga luftflödesmätningar även på korta avstånd från luftflödesstörningar i kanalerna.

Tekniska data
|
Beskrivning |
Värde |
| Kanaldimensioner | ø100-630 |
| Material | Galvaniserat stål eller rostfritt stål (EN 14404 / AISI 316L) |
| Lufthastighet | 0.5 – 10 m/s |
| Omgivningstemperatur vid drift | 0-50℃ |
| Omgivande relativ luftfuktighet (icke-kondenserande) | < 95% |
| Kommunikationsgränssnitt | Modbus RTU, analogue |
| Tillbehör |
|
| Standarder och certifieringar |
|
| Underhåll | Underhållsfri |
Snabbval
Luftflödesintervallet för Halton Max MUC motsvarar lufthastigheter på 0,5–15 m/s.
Nedanstående exempel visar luftflödesintervall och bullernivåer vid en lufthastighet på 1–10 m/s.

Fig.2. Snabbval för Halton Max Ultra Circular med en lufthastighet på 0.5–10 m/s
NS |
qv min-max [l/s] |
qv min-max [m3/h] |
| 100 | 4 – 79 | 14 – 283 |
| 125 | 6 – 123 | 22 – 442 |
| 160 | 10 – 201 | 36 – 724 |
| 200 | 16 -315 | 55 – 1131 |
| 250 | 25 – 491 | 88 – 1767 |
| 315 | 39 – 779 | 140 – 2806 |
| 400 | 63 – 1257 | 226 – 4524 |
| 500 | 98 – 1963 | 353 – 7068 |
| 630 | 156 – 3117 | 561 – 11222 |
System package
Halton Workplace WRA room automation system package for Halton Max MUC airflow management damper
Halton Workplace WRA is part of the Halton Workplace solution offering.

Fig.3. Halton Jaz JDA static diffuser and Halton Max MUC VAV damper combined with a Halton Workplace room automation controller.
Halton Workplace WRA is a controller especially designed for controlling the automation system of office spaces and meeting rooms. It is used for controlling the ventilation airflow, room temperature, and indoor air quality.
The Halton Workplace WRA room automation package consists of a controller unit and optional components depending on customer needs: a wall panel and sensors for temperature, CO2, occupancy, pressure, and condensation.
There are options available for the controller unit and wall panel, depending on the number of controls and sensors required. The Halton Workplace WRA room automation controller is always combined with other Halton products for adaptable and high-level indoor climate.
Application area
- Controlling the ventilation airflow, room temperature, and indoor air quality in office spaces and meeting rooms
- The Halton Workplace WRA room automation controller is an important part of the Halton Workplace system, controlling room units and airflow control dampers
- Overall Halton Workplace System includes:
- Room air conditioning applications with Halton Workplace WRA room automation controller:
- Active chilled beams
- Exhaust units
- VAV dampers
- Active VAV diffusers
- Room air conditioning applications with Halton Workplace WRA room automation controller:
- Halton Max MDC zone control damper
- Halton Workplace WSO system optimiser
Key features
- Factory-tested controller and wiring, easy to install
- Pre-installed project-specific parameters, quick to commission
- Several operating modes based on occupancy, thermal comfort, and indoor air quality
- Enables fully flexible layout solutions for changing needs in office environments
- Highly energy-efficient and reliable system operation
Operating principle
The Halton Workplace WRA room automation controller operates with Variable Air Volume (VAV) dampers and active chilled beams of the Halton Workplace system. These are used for adjusting the ventilation airflow, room temperature, and indoor air quality in office spaces.
Each room unit in an office space can have its own dedicated Halton Workplace WRA room automation controller, or a single controller can control multiple room units. The Halton Workplace WRA room automation controller can automatically adjust the system according to the indoor environment level preferred by users. Each room unit having its own dedicated controller brings maximum flexibility.
Room automation: Halton Jaz JDA and Halton Max MUC VAV damper controlled with Halton Workplace WRA room automation controller

Fig.4. Halton Jaz JDA diffuser and Halton Max MUC VAV damper, controlled with Halton Workplace WRA room automation controller in a single office room
Room automation description
In this configuration, the Halton Workplace WRA room automation controller (type DXR2.E12P-102A) controls a Halton Jaz JDA diffuser that is combined with a Halton Max Ultra Circular VAV damper. External CO2 and occupancy sensors are installed in the room. The temperature sensor is integrated into the wall panel (type QMX3.P34). The system also includes an exhaust VAV damper and radiator heating water valve control. One Halton Workplace WRA room automation controller can individually control up to four room units, and there can be several Halton Workplace WRA room automation controllers in the room.
Design criteria for room automation
- Supply airflow control
- Exhaust airflow control
- Window switch control
- External CO2 and occupancy sensors
- Wall panel with temperature sensor and display
- Radiator heating water valve control
Schematic drawing

Fig.5. Schematic drawing: Halton Jaz JDA diffuser and Halton Max MUC VAV damper, controlled with Halton Workplace WRA room automation controller
Equipment list
| Code | Equipment |
| RC | Controller unit |
| FG | Airflow damper actuator |
| FC | Airflow measurement |
| H | Water valve actuator |
| OS | Occupancy sensor |
| CO2 | CO2 sensor |
| WP | Wall panel |
| TE | Temperature sensor |
| TI | Temperature display |
Wiring diagram
For the wiring diagram of similar configuration, see the product pages of the Halton Workplace WRA room automation controller.
Components and order code examples for the system
- 1 x Passive diffuser: Halton Jaz JDA
– JDA/S-125(R4) WS=NA, CO=W, ZT=N + TRI/S-125-125(N) - 1 x VAV damper: Halton Max MUC or Halton Max MOC
– MUC/G-125, MA=CS - 1 x Exhaust unit: Halton AGC Exhaust grille + Halton PRL Plenum for grilles
– AGC/N-400-100 FS=CL, ME=A, FI=PN, CO=W, ZT=N+PRL/F-400-100-160 - 1 x VAV damper: Halton Max Ultra Circular (MUC) or Halton Max MOC
– MUC/G-160, MA=CS - Automation package: 1 x Halton Workplace WRA room automation controller unit with related components
– WRA/MUC-E21-MU -EX4, WP=34, LC=NA, SE=NA, SW=NA, ST=NA, SL=OE, PM=NA, TC=NA, CV=NA, RV=RA, ZT=N
Note: For more information, see the product pages of the Halton Workplace WRA room automation controller.
Konstruktion och materialer

| Nro. | Komponent | Material |
| 1 | Hölje | Galvaniserat stål eller rostfritt stål (EN 14404/AISI316L) |
| 2 | Kanaltätning | Gummi |
| 3 | Axel | Galvaniserat stål eller rostfritt stål (EN 14404/AISI316L) |
| 4 | Spjällblad | Galvaniserat stål eller rostfritt stål (EN 14404/AISI316L) |
| 5 | Spjällbladspackning | EPDM-gummi |
| 6 | Ställdon | Plast, stål, PVC-kabel |
| 7 | Kabel | Ethernet-kabel (LSZH) |
| 8 | Ultraljudsgivare och temperaturgivare | ABS-plast |
| 9 | Luftflödesstyrenhet | ABS-plast |
Ställdon
Beskrivning
Halton Max MUC luftflödesstyrenhet LAC-1.UO1 styr luftflödet med hjälp av ultraljudsteknik. Den ger exakta luftflödesmätningar med hjälp av två ultraljudsgivare.
Tekniska data
|
Funktion |
Beskrivning |
|---|---|
| Kommunikation |
|
| Strömförsörjning |
|
| Kablar |
|
| Dimensioner |
|
| Skyddsklass |
|
Ställdon
Luftflödesgränserna justeras på plats med en mobilapp eller ett vred för manuell justering, beroende på modell.
|
Kod |
Ställdon |
Vridmoment |
Spjällstorlek |
Kommunikationsgränssnitt |
Beställningskod |
|
G2 |
Siemens |
5 |
100-315 |
Siemens GDB 161.1E or 0..10V/2..10V |
G2=GDB 161.1E |
|
G3 |
Siemens |
10 |
400 – 500 |
Siemens GLB 161.1E |
G3=GLB 161.1E |
|
G4 |
Belimo |
5 |
100-315 |
Belimo LM24A-SR 0..10V/2..10V |
G4=LM24A-SR |
|
G5 |
Belimo |
10 |
400 – 500 |
Belimo NM24A-SR |
G5=NM24A-SR |
Dimensioner och vikt

Fig.5. Halton Max MUC , D=100-315 mm

Fig.6. Halton Max MUC, D=400 mm

Fig.7. Halton Max MUC, D=500 och 630 mm
| NS |
ØD |
ØD1 |
L |
L1 |
L2 |
H |
H1 | Weight (kg) |
| 100 | 99 | – | 427 | 355 | – | 127 | 153 | 1.9 |
| 125 | 124 | – | 474 | 402 | – | 153 | 178 | 2.2 |
| 160 | 159 | – | 540 | 468 | – | 187 | 213 | 2.7 |
| 200 | 199 | – | 612 | 540 | 15 | 227 | 253 | 3.3 |
| 250 | 249 | – | 705 | 633 | 38 | 277 | 303 | 4.3 |
| 315 | 314 | – | 825 | 753 | 70 | 342 | 368 | 5.8 |
| 400 | 398 | – | 1054 | 982 | 65 | 424 | 447 | 9.6 |
| 500 | 499 | 595 | 1300 | 1228 | 100 | 552 | 608 | 20.5 |
| 630 | 629 | 725 | 1532 | 1476 | 167 | 740 | 682 | 27.0 |
Beskrivningstext
Tryckoberoende VAV-spjäll för luftflödesstyrning i till- och frånluftsinstallationer.
Konstruktion
- Spjället har en luftflödesstyrenhet, två ultraljudsgivare för luftflödesmätning, en lufttemperaturgivare och ett ställdon för styrning av spjällbladet.
- Kanalanslutningarna omfattar inbyggda lufttäta gummipackningar.
- Spjäll med bladpackningar: styrspjällets täthet i stängt läge uppfyller klass 4 enligt standarden EN 1751 och höljets täthet uppfyller klass C enligt EN 1751.
Material
- Galvaniserat eller rostfritt stål (EN 1.4404, AISI 316L).
Elektriska data
- Modbus-anslutning eller analog
- Analog luftflödesstyrenhet med en ingående styrsignal på 0–10 VDC eller 2–10 VDC, och utgående styrsignal på 0–10 VDC för återkoppling av luftflöde
- Strömförsörjning, spänning 24 V DC/AC
Parameterinställningar
- Luftflödesgränserna förinställs på fabriken.
- Styrenhetens inställningar kan justeras på plats med Modbus-anslutning eller manuellt från kontrollpanelen.
Tillbehör
- Ljuddämpare för minskning av buller. En renslucka kan läggas till för enkelt underhåll.
- Elektriskt eftervärmningsbatteri med inbyggd värmestyrenhet. Strömförsörjning 230 VAC, mindre än 16 A. Värmaren har en inbyggd överhettningstermostat med såväl automatisk som manuell återställning samt ett larmrelä för möjlighet till fjärrövervakning av larm. En rumstermostat krävs för att styra kanalvärmaren med en 0–10 VDC-styrsignal.
- Elektriskt eftervärmningsbatteri utan inbyggd värmestyrenhet. Strömförsörjning 230 VAC. Värmaren har en inbyggd överhettningstermostat med både automatisk och manuell återställning. En rumstermostat krävs för att styra kanalvärmaren med en 0–10 VDC-styrsignal.
Installation
Installation
Spjället kan installeras på tre sätt. Givarna kan riktas utåt, åt sidan eller inåt.
Anm: Se de tre installationsalternativen i avsnittet Anslutning av spjället till kanalerna.
Säkerhetsavstånd och noggrannhet
Störningar i kanalerna som t.ex. böjar, T-stycken och ljuddämpare orsakar turbulens och ojämnt luftflöde. Detta kan leda till fluktuationer och felaktiga mätvärden.
Anm: Det rekommenderade säkerhetsavståndet är längre eller lika med tre kanaldiametrar för att säkerställa optimal noggrannhet.
Teknisk prestanda för Halton Max MUC:
- Hastighetsintervall 0,5–10,0 m/s
- Allmän mätosäkerhet
- Noggrannhet ±5 %
- Minimalt säkerhetsavstånd: Storlek 100-315 = 1D / Storlek 400-630 = 3D
- Förväntad mätosäkerhet, när korrekt installationsparameter tillämpas ± % eller l/s, beroende på vilket som är
störst – procenttalet eller det absoluta värdet för den specifika produktstorleken.
Dim. 100 = ±5 % eller ±1,00 l/s
Dim. 125 = ±5 % eller ±1,25 l/s
Dim. 160 = ±5 % eller ±2,5 l/s
Dim. 200 = ±5 % eller ±4,0 l/s
Dim. 250 = ±5 % eller ±6,5 l/s
Dim. 315 = ±10 % eller ±10 l/s
Dim. 400 = ±10 % eller ±15 l/s
Dim. 500 = ±10 % eller ±25 l/s
Dim. 630 = ±15 % eller ±93 l/s *
Anm: Mätnoggrannhet definieras under laboratorieförhållanden och kan vara större i praktiska installationer, där
icke-optimala installationssituationer eller flera på varandra följande störningar kan finnas.
* Dim. 630 hastighetsintervall 0.5 – 8.0 m/s
Kopplingsscheman
Kabeldragningen måste utföras enligt gällande lokala bestämmelser och av en behörig tekniker. En
säkerhetsisolerad transformator måste användas för strömförsörjningen.

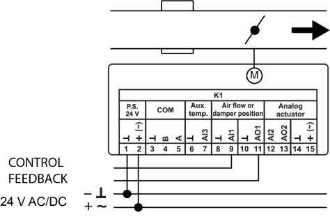
Styrenhetens anslutningar
| Anslutning | Namn | Beskrivning |
| 1 | GND | Jord |
| 2 | 24 V DC/AC | Strömförsörjning |
| 3 | GND | Jord |
| 4 | Standard RS-485 B | Data in/ut B- |
| 5 | Standard RS-485 A | Data in/ut A+ |
| 6 | GND | Jord |
| 7** | AI3 | Ingång för NTC 10k temperaturgivare |
| 8 | GND | Jord |
| 9 | AI1 | Ingång för luftflödets eller spjällets referenssignal |
| 10 | GND | Jord |
| 11 | AO1 | Utgång för luftflödets eller spjällets återkopplingssignal |
| 12* | AI2 | Analog återkopplingssignal för ställdon |
| 13* | AO2 | Analog referenssignal för ställdon |
| 14* | GND | Jord |
| 15* | 24 V DC/AC | Strömförsörjningsutgång för det analoga ställdonet |
* Ansluten till Siemens GDB 161.1E eller Belimo LM24A-SR ställdon
** Ingår ej i leveransen
Anslutningskabel
Efter 20.6.2024 ingår levererad styrenhet 1 meter anslutningskabel.
| Trådfärg | Namn | Beskrivning |
| 1 = svart | GND, (AC G0, DC-) | Jord |
| 2 = röd | 24 V (AC G, DC+) | Strömförsörjning |
| 7 = grå | Modbus line A+ | Data in/ut A+ |
| 6 = rosa | Modbus line B- | Data in/ut B- |
| 3 = vit | AI1 | Ingång för luftflödets eller spjällets referenssignal |
| 5 = orange | AO1 | Utgång för luftflödets eller spjällets referenssignal |
Anteckning: Alla kablar som inte är anslutna måste avsluta.
Styrenhetens kabeldragning

Kopplingsschema för master/ slave-konfiguration

Kopplingsschema för parallellkonfiguration

Kabeldragningsexempel för Halton MUC i en master/ slave-konfiguration

Kabeldragningsexempel för Halton MUC i en parallell konfiguration
Driftsättning
Före uppstart ska styrenheten, installationsparametern och eventuella Modbus-kommunikationsparametrar ställas in.
The airflow rates for Halton Max MUC are preset at the factory. If the airflow rates are not specified by the customer, the default factory settings are:
- 0 l/s for the minimum airflow rate
- the maximum airflow rate corresponds to 10 m/s airflow velocity
The maximum airflow rates in the following table are given with an airflow velocity of 10 m/s.
| NS | Max. airflow [l/s] @ 10 m/s | Max. airflow [m3/h] @ 10 m/s |
| 100 | 79 | 283 |
| 125 | 123 | 442 |
| 160 | 201 | 724 |
| 200 | 314 | 1131 |
| 250 | 491 | 1767 |
| 315 | 779 | 2806 |
| 400 | 1257 | 4524 |
| 500 | 1963 | 7068 |
| 630 | 3117 | 11222 |
Table 1. Halton Max MUC factory settings
Anm: Steg-för-steg-instruktioner om hur du utför driftsättningen finns i installations-, driftsättnings- och underhållsguiden för Halton Max MUC. För att ladda ner guiden, gå till avsnittet ”Nedladdningar”.
Tillbehör
Ljuddämpare
Beskrivning
Halton erbjuder högkvalitativa rektangulära ljuddämpare med rund kanalanslutning för att minska buller i kanalen. Ljuddämparna finns som tillbehör med följande alternativ:
- Tre längder: 600, 1000 and 1250 mm
- Anslutningstyper:
- D2=D1
Kanalens (D2) och spjällets (D1) anslutningar är lika stora. - D2>D1
Kanalens anslutning (D2) är en storlek större än spjällets anslutning (D1).
- D2=D1
- Alternativa isoleringsmaterial:
- Polyesterfiber (PEF), testad enligt ISO 7235, EN 1751 täthetsklass C
- Mineralull (MW), EN 1751 täthetsklass C
- Finns med eller utan renslucka för underhållsändamål
Tekniska data
D1 är ansluten direkt till spjället med anslutning med muff. D2 är ansluten till kanalen med anslutning med nippel. Bilden ovan visar tilluftsinstallationer. I en frånluftsinstallation är luftflödesriktningen från D2 till D1. Spjället är alltid anslutet till D1.
Dimensioner och vikt

Fig.13. Tabell. Dimensioner (mm) och vikt
Exempel på ljuddämpningsdata:

Ljuddämpningsdata, L = 600 mm, material = PEF

Ljuddämpningsdata, L = 1000 mm, material = PEF
Anm: Kontakta Haltons försäljningsavdelning för mer information.
Eftervärmningsbatterier
Beskrivning
Eftervärmningsbatterier finns som tillval. Viktiga egenskaper:
- Produktmodeller:
- Model RM
utan inbyggd värmestyrenhet. - Model RC
med inbyggd värmestyrenhet, 0–10 VAC ingående styrsignal. Inbyggt larmrelä med potentialfri växlingskontakt för fjärrövervakning av larmet. Larmet utlöses av manuellt överhettningsskydd eller strömavbrott i värmaren.
- Model RM
- Enfasvärmare med 230 VAC, mindre än 16 A
- Ökad värmarsäkerhet med två interna överhettningsskydd (automatiskt och manuellt), seriekopplade
- EN 1751, täthetsklass C
- Finns för kanaldimensioner 100–400 mm
- Effekt 600 – 3000 W
Tekniska data

Fig.11. Eftervärmningsbatteriets dimensioner
Note: Eftervärmningsbatteri är inte tillgänglig på storlekar över 400 mm
Värmaren kan installeras i vertikala eller horisontala kanaler. Säkerhetsavståndet är 2xD.
Värmaren måste alltid vara förreglad mot fläkten som blåser luft in i kanalen eller mot luftflödet som går genom värmaren. Förreglingsfunktionen är ansluten till kanalvärmarens strömförsörjning eller, om värmaren har en inbyggd värmestyrenhet (modell RC), kan den också anslutas direkt till styrenheten.
Strömmen till kanalvärmaren måste slås av när fläkten stängs av eller när luftflödet är för lågt.
När du väljer luftflödesspjäll och eftervärmningsbatteri, se till att luftflödeshastigheten är över 1,5 m/s för att garantera en korrekt styrfunktion.
Värmekapacitet med en lufthastighet på 2 m/s
|
NS |
Effekt (W) |
qv l/s |
qv m3/h |
dT(max) K |
|
100 |
600 |
16 |
57 |
32 |
|
125 |
900 |
25 |
88 |
31 |
|
160 |
1500 |
40 |
145 |
31 |
|
200 |
2100 |
63 |
226 |
28 |
|
250 |
3000 |
98 |
353 |
25 |
|
315 |
3000 |
156 |
561 |
16 |
|
400 |
3000 |
251 |
905 |
10 |
Värmekapacitet med en lufthastighet på 6,0 m/s
|
NS |
Effekt (W) |
qv l/s |
m3/h |
dT(max) K |
|
100 |
600 |
47 |
170 |
11 |
|
125 |
900 |
74 |
265 |
10 |
|
160 |
1500 |
121 |
434 |
10 |
|
200 |
2100 |
188 |
679 |
9 |
|
250 |
3000 |
295 |
1060 |
8 |
|
315 |
3000 |
468 |
1683 |
5 |
|
400 |
3000 |
754 |
2714 |
3 |
Note: Kontakta Haltons försäljningsavdelning för mer information.
Beställningskod
MUC/S-D, MA-CU-FS-SA-RH-ZT
S = Modell
G Med packningsförsett blad
D = kanalens anslutningsstorlek (mm)
100, 125, 160, 200, 250, 315, 400, 500, 630
Alternativa utföranden och tillbehör
SP = Systemlösning
N Nej
Y Ja
MA = Material
GS galvaniserat stål
AS rostfritt stål (EN 14404/AISI 316L)
CU = Styrenhet
G2 GDB 161.1E, 5 Nm
G4 LM24A-SR, 5 Nm
FS = Fabriksinställda luftflödesgränser
DS fabriksinställningar som standard (Vnom)
DC kundspecificerade inställningar
SA = Sljuddämpare (tillval)
-> Endast tillgänglig från Kausala, Finland
NA inget angivet
H1 L = 600 mm; utlopp = inlopp; mineralull
H2 L = 1000/1250 mm; utlopp = inlopp; mineralull
H3 L = 600 mm; utlopp = inlopp; polyesterfiber
H4 L = 1000/1250 mm; utlopp = inlopp; polyesterfiber
H5 L = 600 mm; utlopp > inlopp; mineralull
H6 L = 1000/1250 mm; utlopp > inlopp; mineralull
H7 L = 600 mm; utlopp > inlopp; polyesterfiber
H8 L = 1000/1250 mm; utlopp > inlopp; polyesterfiber
H11 L = 600 mm; utlopp = inlopp; mineralull; renslucka
H12 L = 1000/1250 mm; utlopp = inlopp; mineralull; renslucka
H13 L = 600 mm; utlopp = inlopp; polyesterfiber; renslucka
H14 L = 1000/1250 mm; utlopp = inlopp; polyesterfiber; renslucka
H15 L = 600 mm; Outlet > utlopp > inlopp; mineralull; renslucka
H16 L = 1000/1250 mm; utlopp > inlopp; mineralull; renslucka
H17 L = 600 mm; utlopp > inlopp; polyesterfiber; renslucka
H18 L = 1000/1250 mm; utlopp > inlopp; polyesterfiber; renslucka
RH = Elektriskt eftervärmningsbatteri (tillval)
-> Endast tillgänglig från Kausala, Finland
NA inget angivet
RM utan inbyggd värmestyrenhet, ingående PWM-styrsignal (230 VAC, pulsbreddsmodulering)
RC med inbyggd värmestyrenhet (ingående styrsignal 0–10 VAC)
ZT = Kundanpassad produkt
N Nej
Y Ja (ETO)
Exempel på kod
MUC/G-100, SP=N, MA=GS, CU=G2, FS=DC, SA=NA, RH=NA, ZT=N
Downloads
-
Halton Max MUC – Ultrasound airflow management damper (VAV)
Data
en
-
Halton Max MUC – Ultraääni ilmavirtasäädin (VAV)
Data
fi
-
Halton Max MUC – Ultraljud spjäll (VAV)
Data
se
-
Installation, commissioning and maintenance guide – Halton Max MUC
Data
English (en) -
Quick guide for commissioning – Halton Max MUC
Data
English (en) -
Asennus-, käyttöönotto- ja huolto-ohje – Halton Max MUC
Data
Suomi (fi) -
Guide för installation, driftsättning och underhåll – Halton Max MUC
Data
Svenska (sv) -
Halton Max Ultra Circular (MUC) and Halton Max One Circular (MOC) brochure
Data
English (en) -
Halton Max Ultra Circular (MUC) ja Halton Max One Circular (MOC) esite
Data
Finnish (fi) -
Halton Max Ultra Circular (MUC) et Halton Max One Circular (MOC) brochure
Data
French (fr)
"*" indicates required fields


