Översikt
Avslutad 1.3.2023
-> ingen ersättningsprodukt tillgänglig
- Aktivt tilluftsdon för montering i undertak
- Stabil spridningsbild med variabla luftflöden
- Risken för drag elimineras
- Stort tilluftstemperaturområde
- Lämplig i kanalsystem med konstant statiskt tryck
- Används tillsammans med Halton TRI/V-anslutningslåda
- Mät- och injusteringsspjäll för inställning av maximalt tilluftsflöde (MSM)
- Minimalt luftflöde för Halton VHB är: cirka 10…15 l/s för storlekarna 160…250
Tillbehör
- Utjämningslåda Halton TRI/V med anslutningskabel för Halton VHB
Dimensioner

| NS | W | H | H1 | ØD |
| 160 | 299 | 234 | 98 | 159 |
| 200 | 449 | 267 | 104 | 199 |
| 250 | 449 | 275 | 116 | 249 |
Dimensioner med Halton TRI/V-anslutningslåda

| NS | TRI/V | L | L1 | H | H1 | K | ØD | ØD1 |
| 160 | 160…160 | 458 | 299 | 222 | 96…126 | 432 | 159 | 162 |
| 200 | 200…200 | 618 | 449 | 272 | 100…130 | 592 | 199 | 202 |
| 250 | 250…250 | 618 | 449 | 336 | 111…141 | 592 | 249 | 252 |
Material
| Komponent | Material | Ytbehandling |
| Övre plåt | Stål | Pulverlackerad, vit (RAL 9003) |
| Frontplåt | Perforerat stål | Pulverlackerad, vit (RAL 9003) |
| Styrkon | Stål | Pulverlackerad, svart |
| Packning | Gummi |
Tillbehör
Ställdon
Halton VHB är i standardutförande alltid försedd med ett Siemens GDB161.2E/HA spjällställdon.
| Ställdon | Vridmoment | Styr signal |
Drifts spänning |
Ström förbrukning |
| GDB161.2E/HA | 125 Nm | 0…10 VDC | 24 VAC | 3VA |
Funktion

Halton VHB är en aktiv takspridare för tilluft.
Luften blåses huvudsakligen in i rummet genom spridarens sidospalter. I den horisontella luftstrålen genom sidospalterna induceras rumsluften.
I donet upprätthålls hög utblåsningshastighet mellan minimi- och maximiluftflödena och i vistelsezonen får man ett behagligt och dragfritt klimat.
I system med behovsstyrd ventilation (DBV) och system med variabla luftflöden (VAV) skapas ett dragfritt klimat vid såväl minimi- som maximiluftflöden.
Den tryckberoende funktionen hos Halton VHB fungerar i kombination med en zon med konstant kanaltryck.
En extern rumsstyrenhet kontrollerar rumsluftflödet genom att styra ställdonet i Halton VHB-spridaren via en standard 0…10 VDC styrsignal.
Tillhörande produkter
Halton TRI/V-anslutningslåda för tilluft

Det är bäst att använda Halton VHB tillsammans med en Halton TRI/V-anslutningslåda.
Anslutningslåda ingår:
- MSM mät- och injusteringsmodul
- En elektrisk kopplingsdosa för strömförsörjning och styrsignal liksom en kabel för anslutning av luftspridaren Halton VHB
- Installations- och säkerhetsvajer för luftspridar
Installation

Den aktiva spridaren installeras med en Halton TRI/V-anslutningslåda. Det måste finnas ett minsta säkerhetsavstånd på 3D uppströms om Halton TRI/V-anslutningslådan för att garantera tillförlitlig mätning och noggrann styrning av luftflödet.
En häng- och säkerhetsvajer följer med i leveransen av Halton TRI/V-anslutningslådan. Trä säkerhetslinan med hjälp av en nyckelring på Halton VHB-spridaren.
Halton VHB:s elkabel ansluts till den färdiga kabelkontakten i Halton TRI/V.
Se till att ställdonsinställningarna (DIL-switch) överensstämmer med de som ställts in på fabriken.

Lossa på ställdonskopplingen och dra styrkonen till fullt öppet läge.
Montera Halton VHB-spridaren på Halton TRI/V-anslutningslådan.
Obs!
Tekniska data för kombinationen av tilluftsspridare och anslutningslåda visas separat för de två olika installationerna.
Dimensioner på installationshål i undertak

| NS | ØD2 |
| 160 | 211 |
| 200 | 265 |
| 250 | 333 |
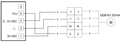
Kabeldragning
Kopplingsschema

Kopplingsdosa Kabelkontakt
Styrsignaler i kopplingsdosa
Plint 3
- 0 VDC = minimum läge / luftflöde
- 10 VDC = maximum läge / luftflöde
Plint 4 (retursignal från ställdon)
- Inte kopplad
Driftsättning

Se till att styrkonen för varje aktiv Halton VHB- (och VHD- )spjäll är fullt öppen (i nedersta läget). Detta kan göras mekaniskt eller elektriskt:
- Om strömmen inte är ansluten till aktiva spjäll, lossar du på ställdonskopplingen och drar styrkonen till fullt öppet läge.
- Om spridarna matas med 24 VAC, kontrollera att styrsignalen ligger konstant på 10 VDC.
Kontrollera att kanalzonens konstanttryck ligger på avsedd nivå (t.ex. mellan 30 och 50 Pa).
Om kanalzonens tryck är för lågt och tryckstyrningsspjället är fullt öppet, kan du antingen höja börvärdet för tilluftsfläktens tryck eller justera MSM-donet i Halton TRI/V-anslutningslådan.
Differenstrycket över spjället måste vara tillräckligt stort vid drift (t.ex. 30 Pa eller mer).
Injustering
Luftflödet i den aktiva spridaren mäts och injusteras med hjälp av MSM-modulen inne i Halton TRI/V-anslutningslådan.
Sätt fast mätinstrumentet på mätrören i Halton TRI/V-anslutningslådan och beräkna luftflödet med hjälp av avläst tryckskillnad och koefficienten k.

qv Beräknat luftflöde [l/s]
k Koefficienten k i tabellen
Δpm Uppmätt tryck [Pa]
| NS | koefficienten k |
| 160 | 15.9 |
| 200 | 26.2 |
| 250 | 44.5 |
Om luftflödet i den aktiva spridaren är för stort, ändra på MSM-spjället i Halton TRI/V-anslutningslådan så att spjället stänger mer. Om maximalt luftflöde inte kan uppnås när MSM är fullt öppet, måste trycket i kanalzonen höjas.
Mininum luftflöde är fabriksinställt.
Service
Öppna spridardelen och ta bort den perforerade plåten i anslutningsstosen.
Ta bort styrkonen helt och hållet.
Lossa på de två skruvar som håller motorenheten på Halton VHB-stommen och lämna den hängande på vajern.
Dra ut injusteringsspjället MSM genom Halton TRI/V-stosen håll i stommen inte i mätslangarna eller injusteringsvredet.
Rengör delarna med en fuktig trasa istället för att sänka ner dem i vatten.
Återmontera delarna i omvänd ordning.
Beskriviningstext
Den aktiva spridaren tillverkas av lackerat stål med vit standardfärg (RAL 9003).
Tilluften förs in i rummet genom sidospringorna och den perforerade frontplåten, vilket ger en god inblandning. Utblåsningshastigheten från spridaren ska vara konstant över hela luftflödesområdet.
Spridaren ansluts till en lämplig anslutningslåda utrustad med ett mät- och injusteringsspjäll.
Spridaren förses med gummipackning som tätar mot anslutningslådan.
Beställningskod
VHB-D; CO-ZT
D = Diameter på kanalanslutning
160, 200, 250
Andra alternative och tillbehör
CO = Färg
SW Vit (RAL 9003)
X Specialfärg
ZT = Kundanpassad produkt
N Nej
Y Ja (ETO)
Tillbehörsprodukter
TRI/V Anslutningslåda
Kodexempel
VHB-160, CO=SW, ZT=N
Downloads
"*" indicates required fields