Product / RMC
Halton RMC – Airflow management damper (CAV)
The Halton RMC is a high performance, mechanically actuated CAV airflow control damper designed to deliver reliable, energy efficient, and pressure independent airflow management.
It ensures precise ventilation across even the most complex duct systems. It maintains a consistent, independent airflow rate for both supply and exhaust applications, regardless of fluctuations in duct static pressure. It supports sustainability goals by optimising ventilation efficiency, minimising commissioning effort, and reducing ongoing energy consumption.
- Constant airflow damper without external power supply, self-balancing operation
- Large operation area, pressure range of 50…1000 Pa
- Optimised volume flow control unit
- Easy to read scale with volume flow indicator in m3/h and cfm
Overview
The Halton RMC is a mechanical CAV damper with self- balancing operation. It does not require an external power supply and features a galvanised steel design. It features a large operating range of 50 to 600 Pa and is also available with a pressure range from 50 Pa to 1000 Pa.
- Constant airflow damper without external power supply, self-balancing operation
- Optimised volume flow control unit
- Easy to read scale with volume flow indicator in m3/h and cfm
Product models
- Models with and without insulated casing
Operating principle

The Halton RMC constant airflow damper is an independent control element operates without an external power supply, maintaining the required airflow rate regardless of upstream pressure changes. Consequently, system balancing is not needed.
As the dynamic pressure in the duct branch increases, the damper turns, thus increasing the pressure loss and preventing an excessive increase in the airflow rate. Similarly, as the dynamic pressure decreases, the spring returns the blade to the open position, reducing the pressure loss and maintaining a constant airflow rate (as shown in figure below).

The constant airflow damper includes a damper blade, supported by bearings and connected to an adjustment spring. As a result of the balance between aerodynamic forces and the spring effect, the necessary throttling effect is achieved, resulting in the set airflow rate.
Operation range
The constant airflow damper operates from a minimum pressure difference over the unit, which depends on the air velocity (see diagram below), to a maximum of 1000 Pa.
For example, if the air velocity in the duct is 7 m/s, the unit pressure loss is approximately 100 Pa or higher.

| Size | qv min. |
qv max |
qv min. |
qv max |
v min. |
v max |
dPst min.* |
dPst max |
| mm | m³/h | m³/h | l/s | l/s | m/s | m/s | Pa | Pa |
| 80** | 40 | 125 | 11 | 35 | 2.2 | 6.9 | 50 | 1000 |
| 100 | 70 | 200 | 19 | 56 | 2.5 | 7.1 | 50 | 1000 |
| 125 | 100 | 280 | 28 | 78 | 2.3 | 6.3 | 50 | 1000 |
| 160 | 180 | 500 | 50 | 139 | 2.5 | 6.9 | 50 | 1000 |
| 200 | 250 | 900 | 69 | 250 | 2.2 | 8.0 | 50 | 1000 |
| 250 | 500 | 1500 | 139 | 417 | 2.8 | 8.5 | 50 | 1000 |
| 315 | 800 | 2200 | 222 | 611 | 2.9 | 7.8 | 50 | 1000 |
| 355** | 900 | 3200 | 250 | 889 | 2.5 | 9.0 | 50 | 1000 |
| 400 | 1000 | 3800 | 278 | 1250 | 2.2 | 8.4 | 50 | 1000 |
* Control inaccuracy less than 20%.
** New dimensions
Structure and materials

| No. | Part | Material |
| 1 | Housing | Galvanised steel |
| 2 | Ring seals | Rubber |
| 3 | Tube for the adjustment | Plastic |
| 4 | Damper blade | Aluminium |
| 5 | Damper blade bearings | PTFE |
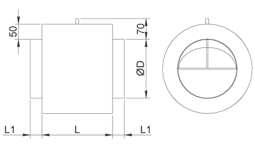
Dimensions
Halton RMC/N (without insulation)

Halton RMC/I (insulated)

| NS [mm] |
L [mm] |
L1 [mm] |
H [mm] |
ØD [mm] |
| 80* | 165 | 40 | 75 | 79 |
| 100 | 165 | 40 | 75 | 99 |
| 125 | 165 | 40 | 75 | 124 |
| 160 | 235 | 40 | 75 | 159 |
| 200 | 235 | 40 | 75 | 199 |
| 250 | 235 | 40 | 75 | 249 |
| 315 | 225 | 60 | 110 | 314 |
| 355* | 295 | 60 | 110 | 354 |
| 400 | 295 | 60 | 110 | 399 |
* New dimensions
Product models
| Product model | Code | Description |
| Standard | N | Without insulation |
| External insulation | I3 | Mineral wool, thickness 50 mm, for sound insulation and reduction of heat transfer |
Specification
Function
- The constant airflow damper operates without an external electrical or pneumatic.
- The damper operates with an adjustable spring.
Materials
- The damper casing is made of galvanised steel.
- The damper blade and adjustment device are made of aluminium.
- The damper casing is insulated with mineral wool as sound and heat insulation material (optional).
Structure
- The damper with a manual adjustment device shall be easily set or reset on the work site during commissioning.
Installation
The constant airflow management damper can be installed on both horizontal and vertical ducts. However, when installed in vertical ducts, the adjustable spring must be positioned horizontally.
Safety distances for the damper
The airflow control damper should be installed in an undisturbed airflow. The airflow velocity profile in the duct should be sufficiently even, without disturbances from bends, T-branches, etc.
The required safety distance after a bend or T-branch is 2.5 times the duct diameter.
The airflow control damper should be installed so that the arrow points in the direction of the airflow. See the installation examples below.

Commissioning
Each damper arrives pre-calibrated for optimal airflow efficiency based on its diameter. On-site airflow adjustments can be made easily within the control range:
- For sizes 80 to 250, simply turn the control knob for quick and precise tuning, no tools required.
- For sizes 315 to 400, use a screwdriver or Allen key to adjust the spring compression according to the clearly marked flow rate scale on the adjustment cylinder.
Maintenance
All components are designed to be maintenance‑free, non‑ageing, and corrosion‑resistant under normal operating conditions. Routine functional checks are generally unnecessary. However, accessibility for inspection and commissioning must be ensured in accordance with DIN EN 12097, which specifies access requirements for ventilation duct systems.
In standard applications, no further maintenance actions are required beyond ensuring that installation conditions and airflow profiles remain within the specified operating parameters.
Order code
RMC-M-D; ZT
| Main options | |
| M = Model | |
| N | Standard |
| I3 | Insulated (casing 50 mm) |
| D = Duct connection size [mm] | 80, 100, 125, 160, 200, 250, 315, 355, 400 |
| Other options and accessories | |
| ZT = Tailored product | |
| N | No |
| Y | Yes (ETO) |
Order code example
RMC-N-100; ZT=N
Downloads
"*" indicates required fields